Wiring Circuit Diagrams
Table Of Contents
- WORKSHOP MANUAL
- CIRCUIT DIAGRAMS
- J/B
- J/C
- J/C
- CENTRALIZED JUNCTION
- POWER DISTRIBUTION SYSTEM
- POWER DISTRIBUTION SYSTEM
- STARTING SYSTEM
- STARTING SYSTEM
- IGNITION SYSTEM <4G1-M/T (LHD)>
- IGNITION SYSTEM <4G1-M/T (RHD)>
- IGNITION SYSTEM <4G1-A/T (LHD)>
- IGNITION SYSTEM <4G1-A/T (RHD)>
- IGNITION SYSTEM <4G6 (LHD)>
- IGNITION SYSTEM <4G6 (RHD)>
- CHARGING SYSTEM
- CHARGING SYSTEM
- ENGINE CONTROL SYSTEM <4G1-M/T (LHD)>
- ENGINE CONTROL SYSTEM <4G1-M/T (RHD)>
- ENGINE CONTROL SYSTEM <4G1-A/T (LHD)>
- ENGINE CONTROL SYSTEM <4G1-A/T (RHD)>
- ENGINE CONTROL SYSTEM <4G6 (LHD)>
- ENGINE CONTROL SYSTEM <4G6 (RHD)>
- COOLING SYSTEM
- COOLING SYSTEM
- INVECS-II 4A/T
- INVECS-II 4A/T
- HEADLAMP
- HEADLAMP
- TAIL LAMP, POSITION LAMP, LICENCE PLATE LAMP AND LIGHTING MONITOR BUZZER
- TAIL LAMP, POSITION LAMP, LICENCE PLATE LAMP AND LIGHTING MONITOR BUZZER
- FRONT FOG LAMP
- FRONT FOG LAMP
- ROOM LAMP AND LUGGAGE COMPARTMENT LAMP
- ROOM LAMP AND LUGGAGE COMPARTMENT LAMP
- ROOM LAMP,PERSONAL LAMP AND LUGGAGE ROOM LAMP
- ROOM LAMP,PERSONAL LAMP AND LUGGAGE ROOM LAMP
- REAR FOG LAMP
- REAR FOG LAMP
- HEADLAMP LEVELING SYSTEM
- HEADLAMP LEVELING SYSTEM
- TURN SIGNAL LAMP AND HAZARD LAMP
- TURN SIGNAL LAMP AND HAZARD LAMP
- BACKUP LAMP
- BACKUP LAMP
- STOP LAMP
- STOP LAMP
- STOP LAMP
- STOP LAMP
- HORN
- METER AND GAUGE
- METER AND GAUGE
- FUEL WARNING LAMP, OIL PRESSURE WARNING LAMP, BRAKE WARNING LAMP
- FUEL WARNING LAMP, OIL PRESSURE WARNING LAMP, BRAKE WARNING LAMP
- POWER WINDOWS
- POWER WINDOWS
- CENTRAL DOOR LOCKING SYSTEM
- CENTRAL DOOR LOCKING SYSTEM
- CENTRAL DOOR LOCKING SYSTEM
- CENTRAL DOOR LOCKING SYSTEM
- CENTRAL DOOR LOCKING SYSTEM
- CENTRAL DOOR LOCKING SYSTEM
- HEATER
- HEATER
- MANUAL AIR CONDITIONER
- MANUAL AIR CONDITIONER
- WINDSHIELD WIPER AND WASHER
- WINDSHIELD WIPER AND WASHER
- REAR WIPER AND WASHER
- REAR WIPER AND WASHER
- REAR WINDOW DEFOGGER AND DOOR MIRROR HEATER
- REAR WINDOW DEFOGGER AND DOOR MIRROR HEATER
- REMOTE CONTROLLED MIRROR
- REMOTE CONTROLLED MIRROR
- HEADLAMP WASHER
- SPARE CONNECTOR (FOR AUDIO)
- SPARE CONNECTOR (FOR AUDIO)
- CLOCK
- CIGARETTE LIGHTER AND ASHTRAY ILLUMINATION LAMP
- ACCESSORY SOCKET
- SPARE CONNECTOR (FOR FORNT FOG LAMP)
- IMMOBILIZER SYSTEM
- IMMOBILIZER SYSTEM
- ABS
- ABS
- HEATED SEAT
- RHEOSTAT
- RHEOSTAT
- SUPPLEMENTAL RESTRAINT SYSTEM (SRS)
- SUPPLEMENTAL RESTRAINT SYSTEM (SRS)
- CIRCUIT DIAGRAMS

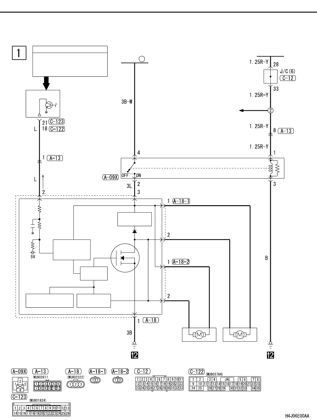
COOLING SYSTEM <LHD>
CIRCUIT DIAGRAMS
90-82
COOLING SYSTEM <LHD>
M1901001000539
FUSIBLE
LINK
2
ENGINE
CONTROL
RELAY
ENGINE-
ECU <M/T>
ENGINE-
A/T-ECU <A/T>
<M/T>
<A/T>
FAN
CONTROL
RELAY
RADIATOR
FAN MOTOR
CONDENSER
FAN MOTOR
COOLING FAN MOTOR
DRIVE CONTROL UNIT
INPUT SIGNAL
·A/C SWITCH
·WATER
TEMPERATURE
SENSOR UNIT
·OUTPUT SHAFT
SPEED SENSOR
<A/T>
·VEHICLE SPEED
SENSOR <M/T>
SMOOTHING
CIRCUIT
INPUT
SIGNAL
PROCESSING
DRIVE
CIRCUIT
TRANSISTOR
TEMPERATURE
DETECTION
CURRENT
DETECTION
Wire colour code
B : Black LG : Light green G : Green L : Blue
W : White Y : Yellow SB : Sky blue BR : Brown
O : Orange GR : Gray R : Red P : Pink V : Violet
ENGINE
CONTROL
SYSTEM