Wiring Circuit Diagrams

Table Of Contents
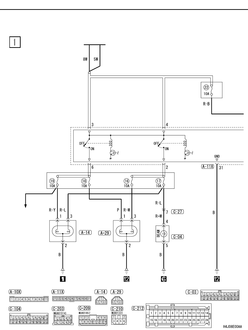
HEADLAMP <LHD>
CIRCUIT DIAGRAMS
90-96
HEADLAMP <LHD>
M1901001500802
BATTERY
RELAY
BOX
FRONT-ECU
HEADLAMP
RELAY: LO
( )
HEADLAMP
RELAY: HI
( )
HEADLAMP
(LH)
(RH)
COMBINATION
METER
RELAY
BOX
HEADLAMP
LEVERING
SYSTEM