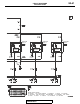
Wiring Circuit Diagrams

CHARGING SYSTEM <TC-SST>
TSB Revision
CIRCUIT DIAGRAMS
90-49
DATA LINK
CONNECTOR
FRONT SIDE
JOINT
CONNECTOR
(CAN4)
JOINT
CONNECTOR
(CAN3)
JOINT
CONNECTOR
(CAN2)
(FUSE )
5
ETACS-ECU
ETACS-ECU
(CAN DRIVE CIRCUIT)
WIRE COLOR CODE
B : BLACK LG : LIGHT GREEN G : GREEN L : BLUE W : WHITE
Y : YELLOW SB : SKY BLUE BR :BROWN O : ORANGE GR : GRAY
R : RED P : PINK V : VIOLET PU : PURPLE SI : SILVER