Computer Hardware User Manual
Table Of Contents
- Contents
- List of Figures
- List of Tables
- About This Manual
- Programming Issues
- Introduction
- Programming Interfaces
- Functional Description
- Memory Maps
- Interrupt Handling
- Cache Coherency (MVME167P)
- Cache Coherency (MVME177P)
- Using Bus Timers
- Indivisible Cycles
- Supervisor Stack Pointer (MC68060)
- Sources of Local Bus Errors
- Error Conditions
- MPU Parity Error
- MPU Offboard Error
- MPU TEA - Cause Unidentified
- MPU Local Bus Time-out
- DMAC VMEbus Error
- DMAC Parity Error
- DMAC Offboard Error
- DMAC LTO Error
- DMAC TEA - Cause Unidentified
- SCC Retry Error
- SCC Parity Error
- SCC Offboard Error
- SCC LTO Error
- LAN Parity Error
- LAN Offboard Error
- LAN LTO Error
- SCSI Parity Error
- SCSI Offboard Error
- SCSI LTO Error
- VMEchip2
- Introduction
- Functional Blocks
- LCSR Programming Model
- Programming the VMEbus Slave Map Decoders
- VMEbus Slave Ending Address Register 1
- VMEbus Slave Starting Address Register 1
- VMEbus Slave Ending Address Register 2
- VMEbus Slave Starting Address Register 2
- VMEbus Slave Address Translation Address Offset Register 1
- VMEbus Slave Address Translation Select Register 1
- VMEbus Slave Address Translation Address Offset Register 2
- VMEbus Slave Address Translation Select Register 2
- VMEbus Slave Write Post and Snoop Control Register 2
- VMEbus Slave Address Modifier Select Register 2
- VMEbus Slave Write Post and Snoop Control Register 1
- VMEbus Slave Address Modifier Select Register 1
- Programming the Local-Bus-to-VMEbus Map Decoders
- Local Bus Slave (VMEbus Master) Ending Address Register 1
- Local Bus Slave (VMEbus Master) Starting Address Register 1
- Local Bus Slave (VMEbus Master) Ending Address Register 2
- Local Bus Slave (VMEbus Master) Starting Address Register 2
- Local Bus Slave (VMEbus Master) Ending Address Register 3
- Local Bus Slave (VMEbus Master) Starting Address Register 3
- Local Bus Slave (VMEbus Master) Ending Address Register 4
- Local Bus Slave (VMEbus Master) Starting Address Register 4
- Local Bus Slave (VMEbus Master) Address Translation Address Register 4
- Local Bus Slave (VMEbus Master) Address Translation Select Register 4
- Local Bus Slave (VMEbus Master) Attribute Register 4
- Local Bus Slave (VMEbus Master) Attribute Register 3
- Local Bus Slave (VMEbus Master) Attribute Register 2
- Local Bus Slave (VMEbus Master) Attribute Register 1
- VMEbus Slave GCSR Group Address Register
- VMEbus Slave GCSR Board Address Register
- Local-Bus-to-VMEbus Enable Control Register
- Local-Bus-to-VMEbus I/O Control Register
- ROM Control Register
- Programming the VMEchip2 DMA Controller
- DMAC Registers
- EPROM Decoder, SRAM and DMA Control Register
- Local-Bus-to-VMEbus Requester Control Register
- DMAC Control Register 1 (bits 07)
- DMAC Control Register 2 (bits 815)
- DMAC Control Register 2 (bits 07)
- DMAC Local Bus Address Counter
- DMAC VMEbus Address Counter
- DMAC Byte Counter
- Table Address Counter
- VMEbus Interrupter Control Register
- VMEbus Interrupter Vector Register
- MPU Status and DMA Interrupt Count Register
- DMAC Status Register
- Programming the Tick and Watchdog Timers
- VMEbus Arbiter Time-Out Control Register
- DMAC Ton/Toff Timers and VMEbus Global Time-out Control Register
- VME Access, Local Bus, and Watchdog Time-out Control Register
- Prescaler Control Register
- Tick Timer 1 Compare Register
- Tick Timer 1 Counter
- Tick Timer 2 Compare Register
- Tick Timer 2 Counter
- Board Control Register
- Watchdog Timer Control Register
- Tick Timer 2 Control Register
- Tick Timer 1 Control Register
- Prescaler Counter
- Programming the Local Bus Interrupter
- Local Bus Interrupter Status Register (bits 2431)
- Local Bus Interrupter Status Register (bits 1623)
- Local Bus Interrupter Status Register (bits 815)
- Local Bus Interrupter Status Register (bits 07)
- Local Bus Interrupter Enable Register (bits 2431)
- Local Bus Interrupter Enable Register (bits 1623)
- Local Bus Interrupter Enable Register (bits 815)
- Local Bus Interrupter Enable Register (bits 07)
- Software Interrupt Set Register (bits 815)
- Interrupt Clear Register (bits 2431)
- Interrupt Clear Register (bits 1623)
- Interrupt Clear Register (bits 815)
- Interrupt Level Register 1 (bits 2431)
- Interrupt Level Register 1 (bits 1623)
- Interrupt Level Register 1 (bits 815)
- Interrupt Level Register 1 (bits 07)
- Interrupt Level Register 2 (bits 2431)
- Interrupt Level Register 2 (bits 1623)
- Interrupt Level Register 2 (bits 815)
- Interrupt Level Register 2 (bits 07)
- Interrupt Level Register 3 (bits 2431)
- Interrupt Level Register 3 (bits 1623)
- Interrupt Level Register 3 (bits 815)
- Interrupt Level Register 3 (bits 07)
- Interrupt Level Register 4 (bits 2431)
- Interrupt Level Register 4 (bits 1623)
- Interrupt Level Register 4 (bits 815)
- Interrupt Level Register 4 (bits 07)
- Vector Base Register
- I/O Control Register 1
- I/O Control Register 2
- I/O Control Register 3
- Miscellaneous Control Register
- Programming the VMEbus Slave Map Decoders
- GCSR Programming Model
- PCCchip2
- Introduction
- Functional Description
- Overall Memory Map
- Programming Model
- Chip ID Register
- Chip Revision Register
- General Control Register
- Vector Base Register
- Programming the Tick Timers
- Tick Timer 1 Compare Register
- Tick Timer 1 Counter
- Tick Timer 2 Compare Register
- Tick Timer 2 Counter
- Prescaler Count Register
- Prescaler Clock Adjust Register
- Tick Timer 2 Control Register
- Tick Timer 1 Control Register
- General Purpose Input Interrupt Control Register
- General Purpose Input/Output Pin Control Register
- Tick Timer 2 Interrupt Control Register
- Tick Timer 1 Interrupt Control Register
- SCC Error Status and Interrupt Control Registers
- LANC Error Status and Interrupt Control Registers
- Programming the SCSI Error Status and Interrupt Registers
- Programming the Printer Port
- Printer ACK Interrupt Control Register
- Printer FAULT Interrupt Control Register
- Printer SEL Interrupt Control Register
- Printer PE Interrupt Control Register
- Printer BUSY Interrupt Control Register
- Printer Input Status Register
- Printer Port Control Register
- Chip Speed Register
- Printer Data Register
- Interrupt Priority Level Register
- Interrupt Mask Level Register
- MCECC Functions
- Introduction
- Features
- Functional Description
- General Description
- Performance
- Cache Coherency
- ECC
- Cycle Types
- Error Reporting
- Single Bit Error (Cycle Type = Burst Read or Non-Burst Read)
- Double Bit Error (Cycle Type = Burst Read or Non-Burst Read)
- Triple (or Greater) Bit Error (Cycle Type = Burst Read or Non-Burst Read)
- Cycle Type = Burst Write
- Single Bit Error (Cycle Type = Non-Burst Write)
- Double Bit Error (Cycle Type = Non-Burst Write)
- Triple (or Greater) Bit Error (Cycle Type = Non-Burst Write)
- Single Bit Error (Cycle Type = Scrub)
- Double Bit Error (Cycle Type = Scrub)
- Triple (or Greater) Bit Error (Cycle Type = Scrub)
- Error Logging
- Scrub
- Refresh
- Arbitration
- Chip Defaults
- Programming Model
- Chip ID Register
- Chip Revision Register
- Memory Configuration Register
- Base Address Register
- DRAM Control Register
- BCLK Frequency Register
- Data Control Register
- Scrub Control Register
- Scrub Period Register Bits 15-8
- Scrub Period Register Bits 7-0
- Chip Prescaler Counter
- Scrub Time On/Time Off Register
- Scrub Prescaler Counter (Bits 21-16)
- Scrub Prescaler Counter (Bits 15-8)
- Scrub Prescaler Counter (Bits 7-0)
- Scrub Timer Counter (Bits 15-8)
- Scrub Timer Counter (Bits 7-0)
- Scrub Address Counter (Bits 26-24)
- Scrub Address Counter (Bits 23-16)
- Scrub Address Counter (Bits 15-8)
- Scrub Address Counter (Bits 7-4)
- Error Logger Register
- Error Address (Bits 31-24)
- Error Address (Bits 23-16)
- Error Address (Bits 15-8)
- Error Address (Bits 7-4)
- Error Syndrome Register
- Defaults Register 1
- Defaults Register 2
- SDRAM Configuration Register
- Initialization
- Syndrome Decoding
- Summary of Changes
- Printer and Serial Port Connections
- Related Documentation
- Index

B-8 Computer Group Literature Center Web Site
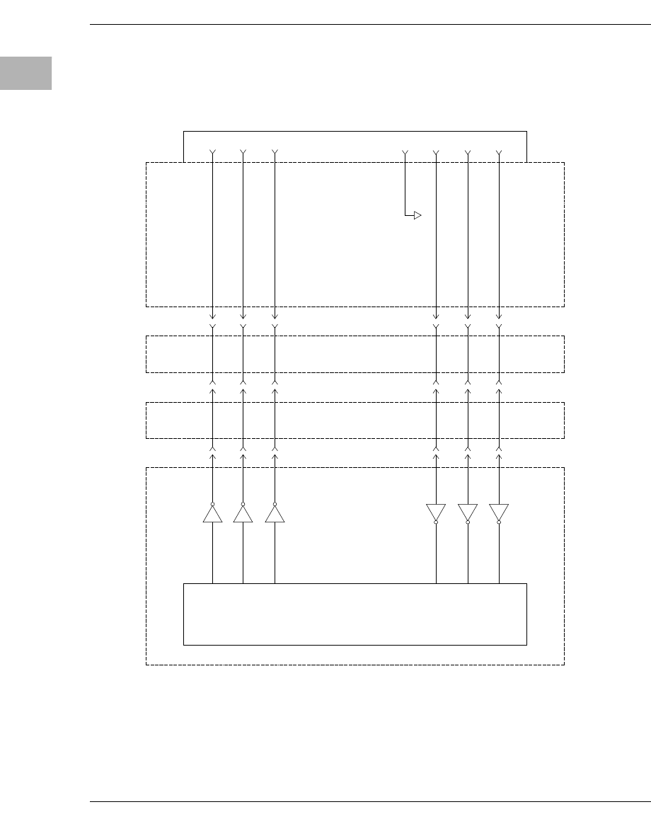
Printer and Serial Port Connections
B
Figure B-7. MVME1X7P Serial Port 2 Configured as DTE
MC145406
D
C27
40
2
TXD
MC145406
D
C31
60
20
DTR
MC145406
D
C29
59
4
RTS
1353 9403
MVME167P / MVME177P
P2
ADAPTER
BOARD
64
COND
CABLE
DB25
CD2401
RXD1
35
MC145406
C28
R
MVME712
TRANSITION
BOARD
7
3
5
GND
RXD
CTS
CD1*
11
MC145406
C32
R 8
DCD
CTS1*
58
MC145406
C30
R
DTR1*
RTS1*
TXD1
11P