Instructions / Assembly
Manuals
Brands
MRCOOL Manuals
Air Conditioners
Signature 3-Ton 35,000-BTU 16 SEER Upflow Complete Split System Air Conditioner with 95% AFUE Gas Furnace
1
2
3
4
5
6
7
8
9
10
507276-05C
Page 3 of 57
mrcool.com
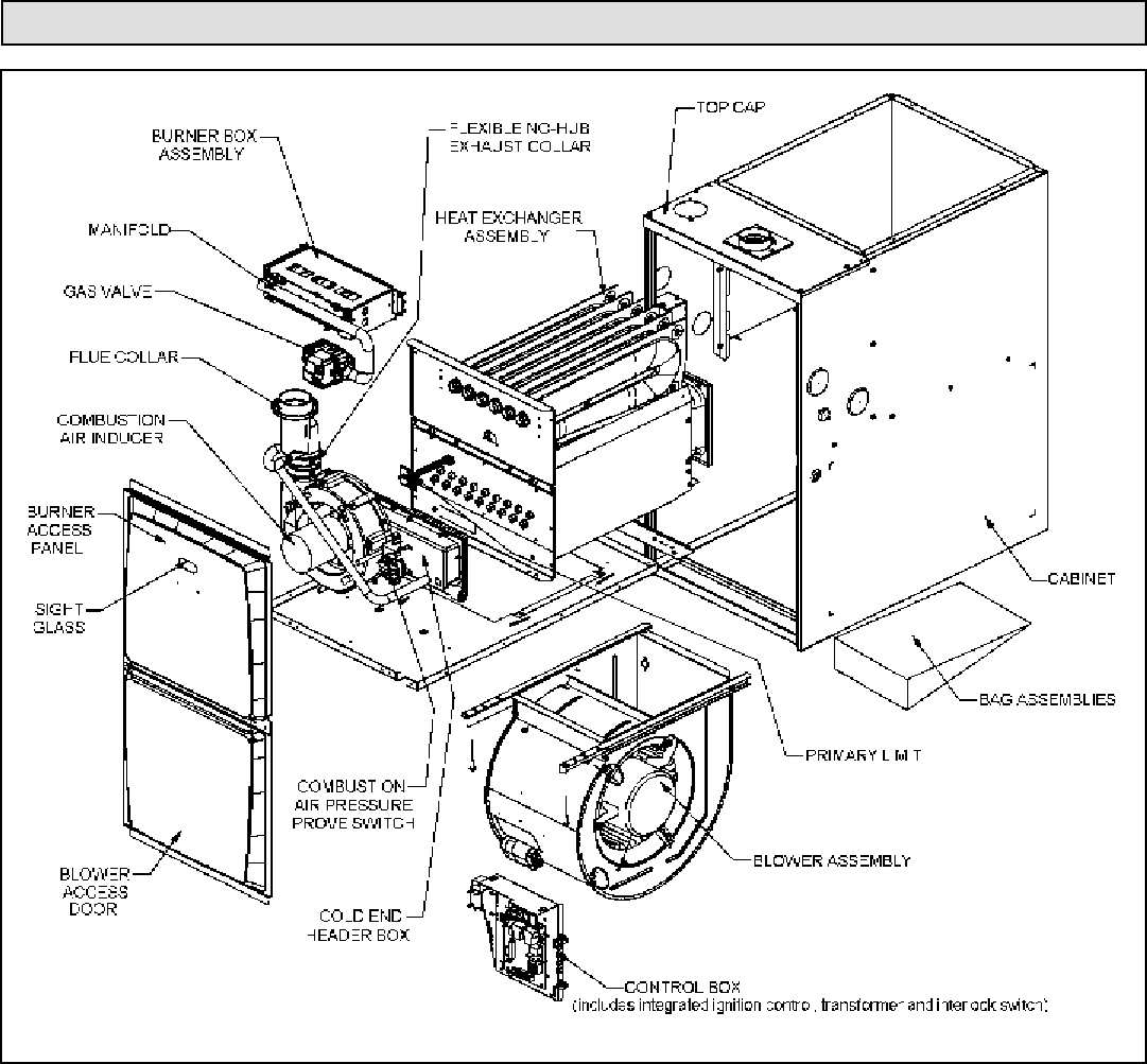
Figure 1.
Parts
Arrangement
1
...
2
3
4
5
6
...
...
59