Instructions / Assembly
Manuals
Brands
MRCOOL Manuals
Air Conditioners
Signature 3-Ton 35,000-BTU 16 SEER Upflow Complete Split System Air Conditioner with 95% AFUE Gas Furnace
41
42
43
44
45
46
47
48
49
50
507276-05C
mrcool.com
E045B3
E135D5
E1
10C5
E090C4
E070B3
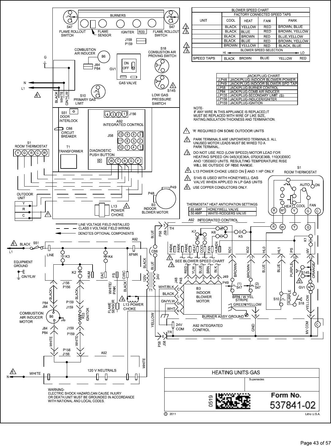
Figure 67. T
ypical Wiring Diagram
1
...
...
42
43
44
45
46
...
...
59