
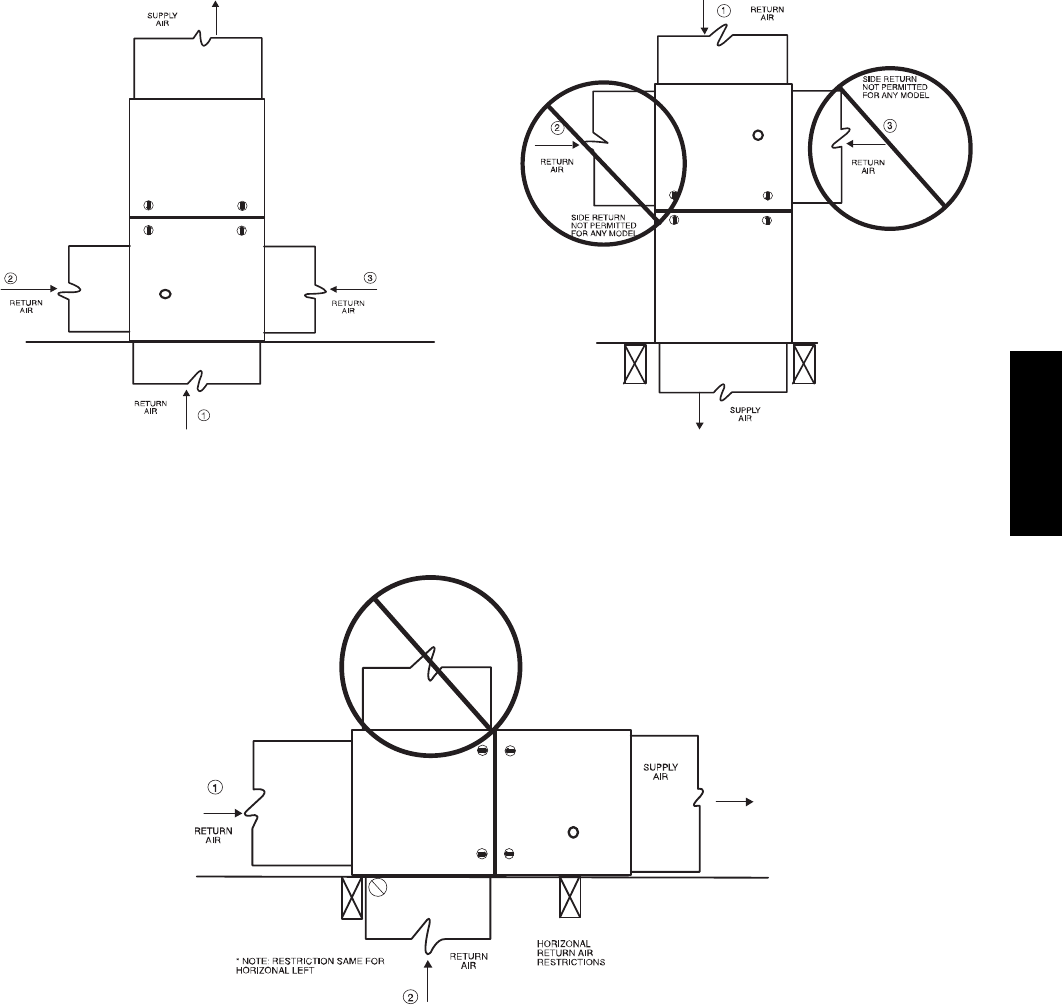
27
ANY COMBINATION OF 1, 2, OR 3 PERMITTED.
A11036
Fig. 26 -- Upflow Return Air Configurations and Restrictions
A11037
Fig. 27 -- Downflow Return Air Configurations
and Restrictions
HORIZONTAL TOP
RETURN NOT
PERMITTED FOR
ANY MODEL
A11038
Fig. 28 -- Horizontal Return Air Configurations and Restrictions
PG95SAS