Installation Guide
Manuals
Brands
MRCOOL Manuals
Forced Air Furnaces
95.5% AFUE 5 Ton 120,000 BTU Multi-Position Multi-Speed Gas Furnace
77
78
79
80
81
82
83
84
85
86
Table Of Contents
IM-PG95SAS-08-1
IM-PG95SAS-08
IM-PG95SAS-08-86
84
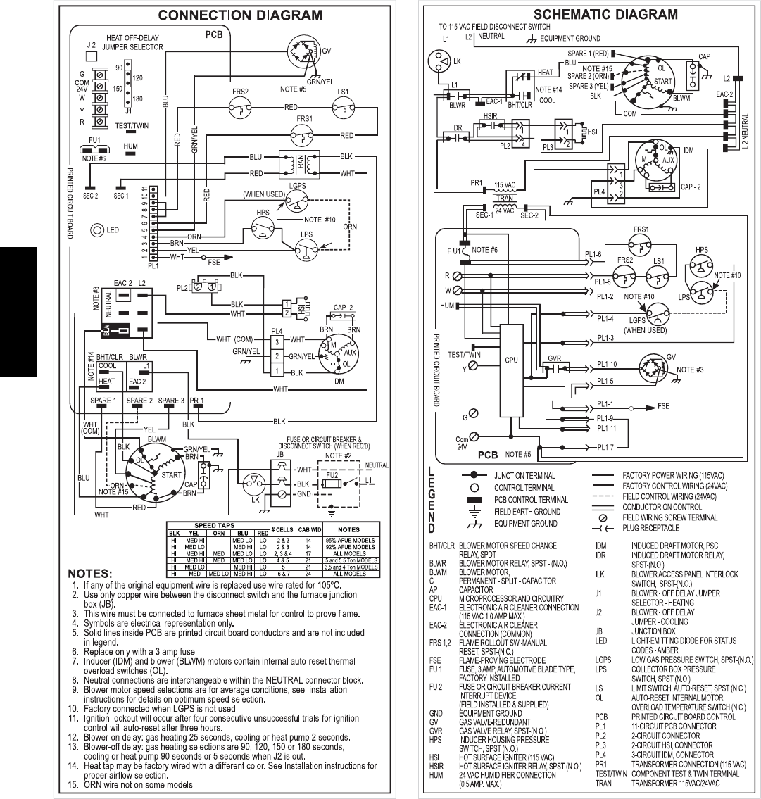
A12420
Fig.
69
-
-
W
ir
ing
Diagr
am
PG95SAS
1
...
...
82
83
84
85
86