Owners manual

MSD • WWW.MSDPERFORMANCE.COM • (915) 857-5200 • FAX (915) 857-3344
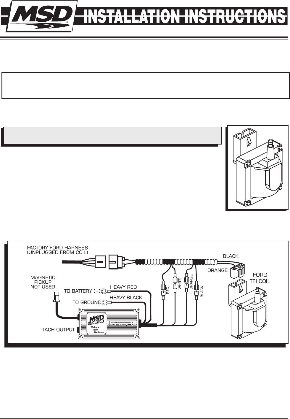
Ford TFI Coil Harness
PN 8874
Figure 1 TFI Ford Coil.
Figure 2 Installation with an MSD 6 or 7 Series Ignition Control.
Parts Included:
1 - Harness
The MSD to Ford TFI Coil Harness is designed to provide a splice-free and
simple installation of an MSD Ignition Control to Ford vehicles equipped with
a TFI Coil (Figure 1).
MSD 6 and 7 Series Ignitions
All of the wires connect to the corresponding colored wires (Figure 2). MSD
7 Series Ignitions share the same color wires.
1. Disconnect the connector from the coil and connect it to the MSD PN 8874
Harness.
2. Connect the other end of the Harness to the Coil.
3. Connect the four wires of the Harness to the MSD Ignition Control.
IMPORTANT: Review the Ignition Control instructions before attempting the installation.
ONLINE PRODUCT REGISTRATION: Register your MSD product online. Registering your product
will help if there is ever a warranty issue with your product and helps the MSD R&D team create
new products that you ask for! Go to www.msdperformance.com/registration.