User Guide

Issued 7/03
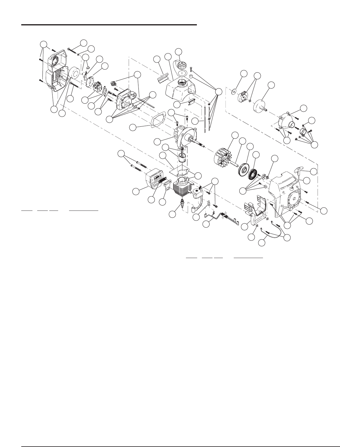
Item Part No. Description
1 791-182059 Air Cleaner/Muffler Cover Assembly
(includes 2 & 38)
2 791-180350B Air Cleaner Filter
3 791-180351 Carburetor Mounting Screw Assembly
4 791-180226 Wavey Washer
5 791-182202 Choke Knob and Screw
6 753-04418 Choke Lever Assembly (includes 5)
7 753-04419 Choke Plate Assembly (includes 6)
8 753-04333 Carburetor Assembly (includes 9 & 20)
9 791-610675 Carburetor Gasket
10 791-181860 Carb Mount Screw
11 791-683974B Primer and Hose Assembly
12 753-1196 Carb Mount Assembly (includes 13)
13 791-684451 Reed Assembly
14 753-1208 Carburetor Mount Gasket
15 753-04470 Crank Case Service Assembly (includes 10)
16 791-612134 Rear Mounting Pad
17 791-182767 Fuel Tank Assembly (includes 18-20)
18 753-04100 Fuel Cap Assembly
19 791-181168 Fuel Return Line
20 791-682039 Fuel Line Assembly
21 791-145308 Front Mounting Pad
22 791-182064 Shroud Extension and Stand
23 791-182736 Flywheel Assembly
24 791-181065 Spacer
25 753-04232 Recoil Pulley Assembly
26 791-613102 Recoil Spring
27 791-611061 Rope Guide
28 791-181441 Pulley Retainer Assembly
29 791-182815 Wire Lead
30 791-181079 Pull Handle
31 791-613103 Rope
32 791-160574 Starter Housing Assembly
(includes 25-28, 30-31, 33 & 38)
33 791-181862 Housing Screw
34 791-182368 Clutch Washer
35 791-181445 Clutch Rotor Assembly
Item Part No. Description
36 791-153592 Clutch Drum Assembly
37 791-153597 Upper Clamp Assembly
38 791-181345 Screw
39 791-182519 Anti-Rotation Screw
40 791-611063 Ground Tab
41 753-04468 Module Assembly
42 791-610311B Spark Plug
43 791-182066 Muffler Assembly (includes 44-46)
44 791-182747 Spark Arrestor Screen
45 753-04159 Exhaust Gasket
46 791-147575 Muffler Mounting Bolt Assembly
47 753-04323 Cylinder Assembly (includes 49 & 50)
48 753-04367 Piston and Rod Assembly
49 753-1197 Cylinder Gasket
50 791-182723 Cylinder Bolt
51 791-182409 Washer
52 791-04094 Foot Stand
53 791-180094 Clutch Cover Assembly (includes 38)
* 753-04134 Engine Gasket Kit
* 791-180602 O.E.M. Carburetor Repair Kit (Walbro)
* 791-181873 Gasket Diaphragm Repair Kit (Walbro)
* 753-1209 Piston Ring
* 753-04397 Short Block Assembly
(includes 10, 15, 42, 47-50)
* 791-181599 Clutch Springs (Qty. 2)
* Items Not Shown
38
1
2
3
8
10
12
3
4
5
7
6
11
13
14
15
48
49
21
50
19
16
17
18
20
34
35
39
38
23
24
25
26
27
30
31
33
38
32
22
29
40
41
47
42
45
43
46
28
9
ENGINE PARTS - MODEL BT1045/1
2-CYCLE PETROL TRIMMER
PPN 41CD145D042
44
36
39
37
51
52
38