User manual

Issued 1/03
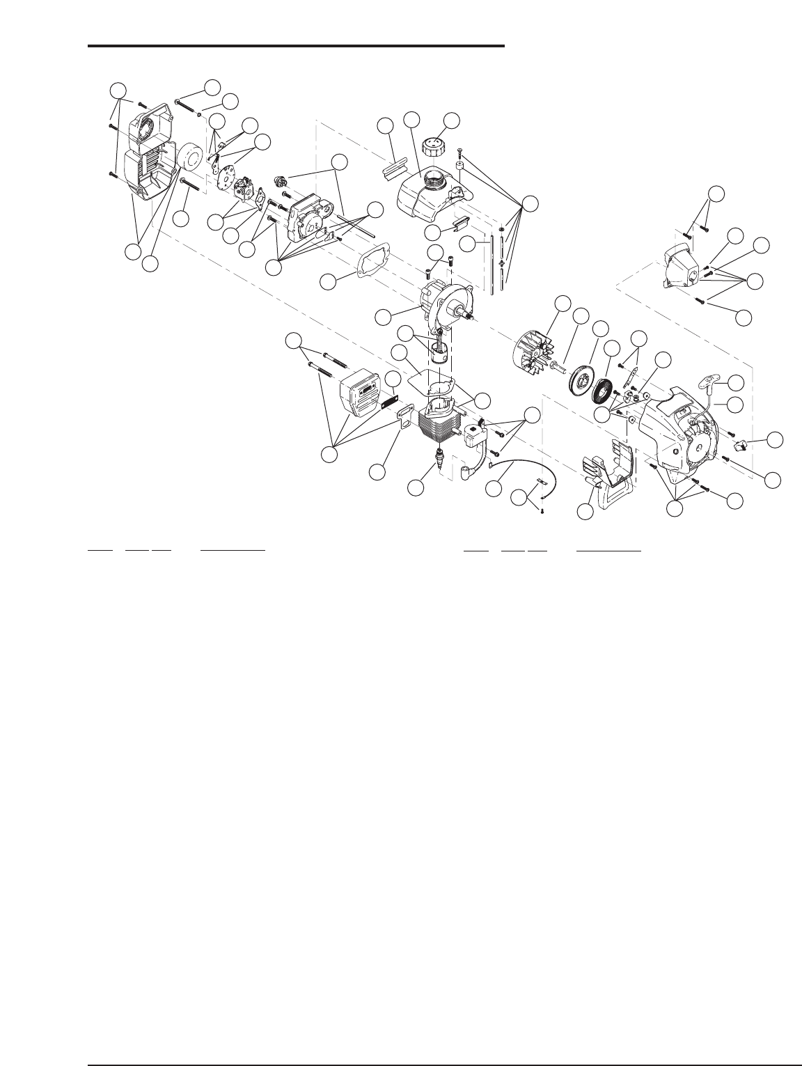
Item Part No. Description
1 791-182059 Air Cleaner/Muffler Cover Assembly
(includes 2 & 35)
2 791-180350 Air Cleaner Filter
3 791-180351 Carburetor Mounting Screw Assembly
4 791-180226 Wavey Washer
5 791-182061 Choke Lever Assembly (includes 6)
6 791-182070 Choke Knob and Screw
7 791-182060 Choke Lever and Plate (includes 5)
8 753-04320 Carburetor Assembly (includes 9)
9 791-610675 Carburetor Gasket
10 791-181860 Carb Mount Screw
11 791-181558 Primer and Hose Assembly
12 753-1196 Carb Mount Assembly (includes 10)
13 791-684451 Reed Assembly
14 753-1208 Carburetor Mount Gasket
15 753-04321 Crank Case Service Assembly
(includes 10)
16 791-612134 Rear Mounting Pad
17 753-04311 Fuel Tank Assembly (includes 18-20)
18 791-182438 Fuel Cap Assembly
19 791-181168 Fuel Return Line
20 791-682039 Fuel Line Assembly
21 791-145308 Front Mounting Pad
22 791-182064 Shroud Extension and Stand
23 791-182736 Flywheel Assembly
24 791-610303 Spacer
25 753-04232 Recoil Pulley Assembly
26 791-613102 Recoil Spring
27 791-611061 Rope Guide
28 791-181441 Pulley Retainer Assembly
29 791-181442 Switch Assembly (includes 38)
30 791-181079 Pull Handle
Item
Part No. Description
31 791-613103 Rope
32 791-181443 Starter Housing Assembly
(includes 25-31 & 33)
33 791-181862 Housing Screw
34 791-182797 Clutch Cover Assembly (includes 36-37)
35 791-181345 Cover Screw
36 791-182519 Anti-Rotation Screw
37 791-181345 Clamping Screw
38 791-180036 Wire Lead
39 753-04324 Module Assembly
40 791-610311 Spark Plug
41 791-182066 Muffler Assembly (includes 42-44)
42 791-182747 Spark Arrestor Screen
43 791-182065 Exhaust Gasket
44 791-147575 Muffler Mounting Bolt Assembly
45 753-04323 Cylinder Assembly (includes 48)
46 753-1207 Piston and Rod Assembly
47 753-1197 Cylinder Gasket
48 791-182723 Cylinder Bolt
* 753-04134 Engine Gasket Kit
* 791-180602 O.E.M. Carburetor Repair Kit (Walbro)
* 791-181873 Gasket Diaphragm Repair Kit (Walbro)
* 753-1209 Piston Ring
* 753-04370 Short Block Assembly
(includes 10, 15, 23, 42, 46-50)
* Items Not Shown
35
1
2
3
8
10
12
3
4
5
7
6
11
13
14
15
46
47
21
48
19
16
17
18
20
36
37
35
34
23
24
25
26
29
27
30
31
29
33
35
32
22
29
38
39
45
40
43
41
44
42
28
9
ENGINE PARTS - MODEL 704r
2-CYCLE GAS TRIMMER
PPN 41CD704G034
35