User Manual
Table Of Contents
- Preface
- Introduction
- Operation
- Control Panel
- High Pressure Precaution
- High Temperature Precaution
- Confining System Operation Considerations
- Operating Procedures
- Filling the Reservoir From An External Source
- Filling the Pressure Intensifier From an External Container
- Filling the Pressure Intensifier From The Reservoir
- Filling the Triaxial Cell
- Heating The Triaxial Cell
- Pressurizing and Depressurizing The Confining Fluid
- Cooling The Triaxial Cell and Confining Fluid
- Emptying the Triaxial Cell
- Draining the Reservoir to an External Location

Operating Procedures
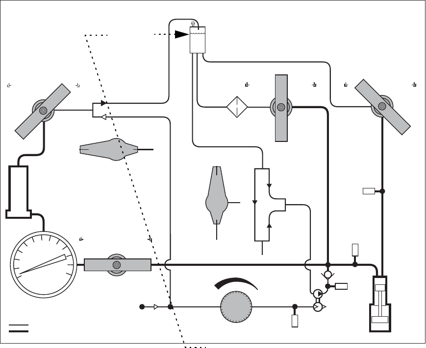
286.20 Pressure Intensifier Operation
31
Triaxial
Cell
Open Close
Confining Fluid Input
Open Close
Confining Fluid Output
Open Close
Reservoir Fill
Fluid
Reservoir
Open Close
Intensifier Fill
Pressure
Intensifier
Low Pressure
Relief
Pressure
Transducer
Low pressure line
High pressure line
286.20
Confining
Pressure
Intensifier
r
Fluid Filter
Off
Fluid Transfer Pump Control
Air supply in
100 psi max.
Air Driven
Hydraulic
Pump
Fluid Direction
A
B
C
C
A
B
Empty
Reservoir
From fluid
supply or to
empty fluid
Fill system from
fluid supply
using pump
Fill system
from reservoir
using pump
Confining
Pressure
AB
A
B
Air Direction
Air supply into empty
traxial cell.
Bleed air into reservoir
when filling triaxial cell.
psi
bar
High Pressure
Relief
Air Pressure
Relief
4 - Open
10-Close
1 - Close
3 - C
7 - A
5 - On
6 - Off
8 - On
9- Off
6 - Watch
for bubbles
and fluid
level
2 - Close
Filling the Pressure Intensifier From an External Container










