Reference User guide
Table Of Contents

ReNew Technical Reference Installation
23
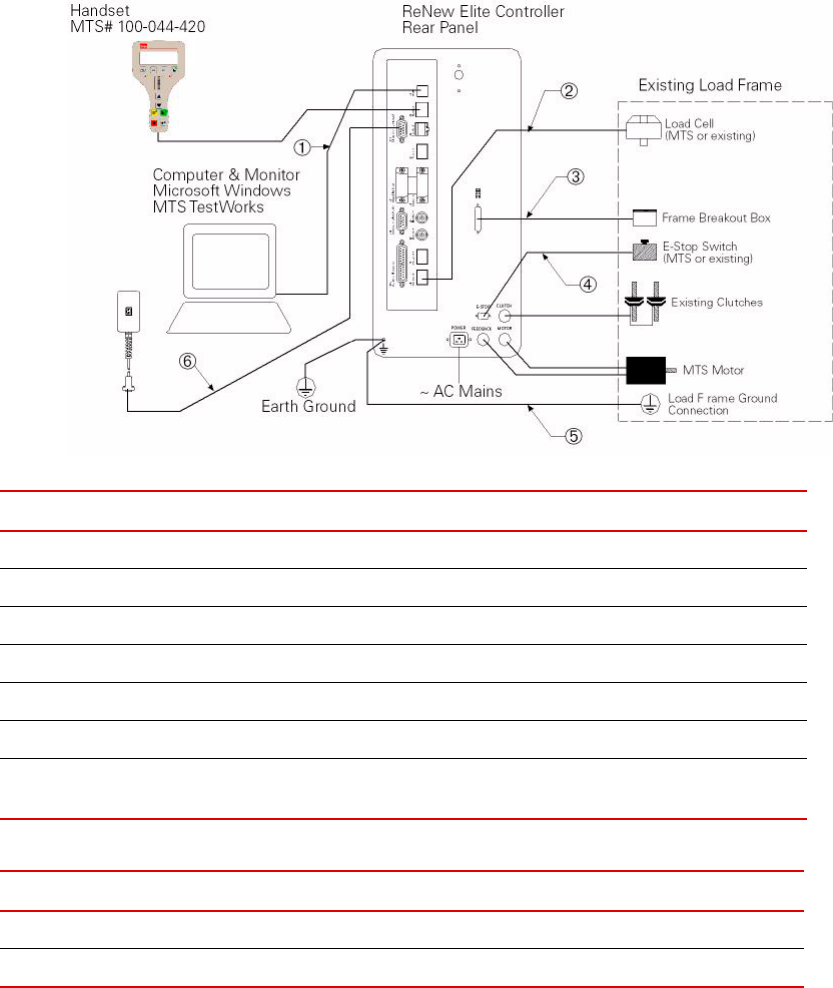
ReNew Elite system
connections
Cable Description MTS #
1 CABLE-USB V2.0 CABLE,A-B,3 METER/10 FOOT 100-096-419
2 CABLE ASSY,ELITE L/C RENEW 100-091-797
2 CABLE ASSY,SMA RENEW 44/55 L/C 100-091-762
3 CABLE,RS232 DB25 M-F 15FT 100-094-058
4 CABLE ASSY, REMOTE E-STOP 100-088-499
5 CABLE ASSY,RENEW GROUND 100-091-106
6 BOX ASSEMBLY-REMOTE POWER SWITCH
(for use with Alliance Mongoose upgrade systems)
100-165-688
Description MTS #
ASSY,INSTRN 15P MG W/O SELFID 100-091-215
ASSY,INSTRN 25P MG W/O SELF ID 100-091-205










