Reference User guide
Table Of Contents

Additional Digital I/O Information
ReNew Technical Reference Appendix
43
Appendix
Additional Digital I/O Information
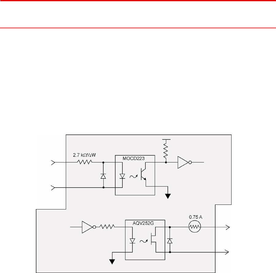
The digital inputs have an MOCD223 optical isolator with 2.7 Kohm, ½
Watt series resistor. To reliable turn on they need 1 mA of current. This
means the minimum input high voltage is 4.0 Vdc. The maximum input
voltage is 28.0 Vdc. The device should be off for input voltages less than
1.0 V.
The digital outputs are implemented by an AQV252G PhotoMOS relay with a
0.75 Amp poly fuse in series. Although the device is rated at 60 V peak but it is
recommended that a maximum of 48 V be applied. If the load is highly inductive,
such as a relay coil, an appropriate snubber network should be used near the coil
terminals to prevent large flyback voltages from exceeding the device ratings.
Insight Controller
User
Digital
Output
User
Digital
Input
From Logic
Controller
To Logic
Controller
Optical
Isolator
PhotoMOS
Relay










