Owner manual
Manuals
Brands
MTS Manuals
Hardware
SWIFT 20 Ultra Sensor
167
168
169
170
171
172
173
174
175
176
Table Of Contents
Technical Support
How to Get Technical Support
Before You Contact MTS
If You Contact MTS by Phone
Problem Submittal Form in MTS Manuals
Preface
Before You Begin
Conventions
Documentation Conventions
Hardware Overview
Spinning Applications (Test Track)
Non-spinning Applications (Simulation Lab)
Construction
Design Features
Coordinate System
Specifications
Calibration
Low-Profile Transducer Interface
Low-Profile TI Front Panel
Low-Profile TI Rear Panel
Induction Power Source
Low-Profile TI Jumpers
Interfacing with RPC
Software Utilities
Introduction
TISTATUS - Low-Profile Transducer Interface Status
TIXFER - Low-Profile Transducer Interface Transfer
TISHUNT - Low-Profile Transducer Interface Shunt
Setting Up Shunt Calibration Reference Values
TISETZERO – Low-Profile Transducer Interface Set Zero Method
Error Messages
Shunt Error Status
Setting up the Low-Profile Transducer Interface
Select a Zero Method
Calibration File Elements
Upload the Calibration File
Edit the Calibration File
Download the Calibration File
Installing the Transducer
Transducers Designed to Operate with a Low-Profile TI but Using a Mini TI
Test Track Vehicle for Slip Ring Sensor
Attaching SWIFT Components to the Wheel Assembly
Attaching SWIFT and Wheel Assembly to the Vehicle
Installing the Low-Profile Transducer Interface Electronics
Setting up the SWIFT Sensor for Data Collection
Verifying the Quality of the Zero Procedure
Collecting Data
Road Simulator
Attaching SWIFT Components to the Fixturing
Zeroing the Low-Profile Transducer Interface
Communication Configurations
Cable Configurations
SWIFT TI to PC Host (9-pin)
SWIFT Low-Profile TI to PC Host (25-pin)
SWIFT Low-Profile TI to SWIFT Low-Profile TI
Termination Jumper
Analyzing SWIFT Data
The Data
Fx Data (Longitudinal Force)
Fz Data (Vertical Force)
Mx Data (Overturning Moment)
My Data (Brake Moment)
Acceleration and Braking Events Example
Slalom Curve Driving Example
Maintenance
Transducer
Low-Profile Transducer Interface
Cables
Troubleshooting
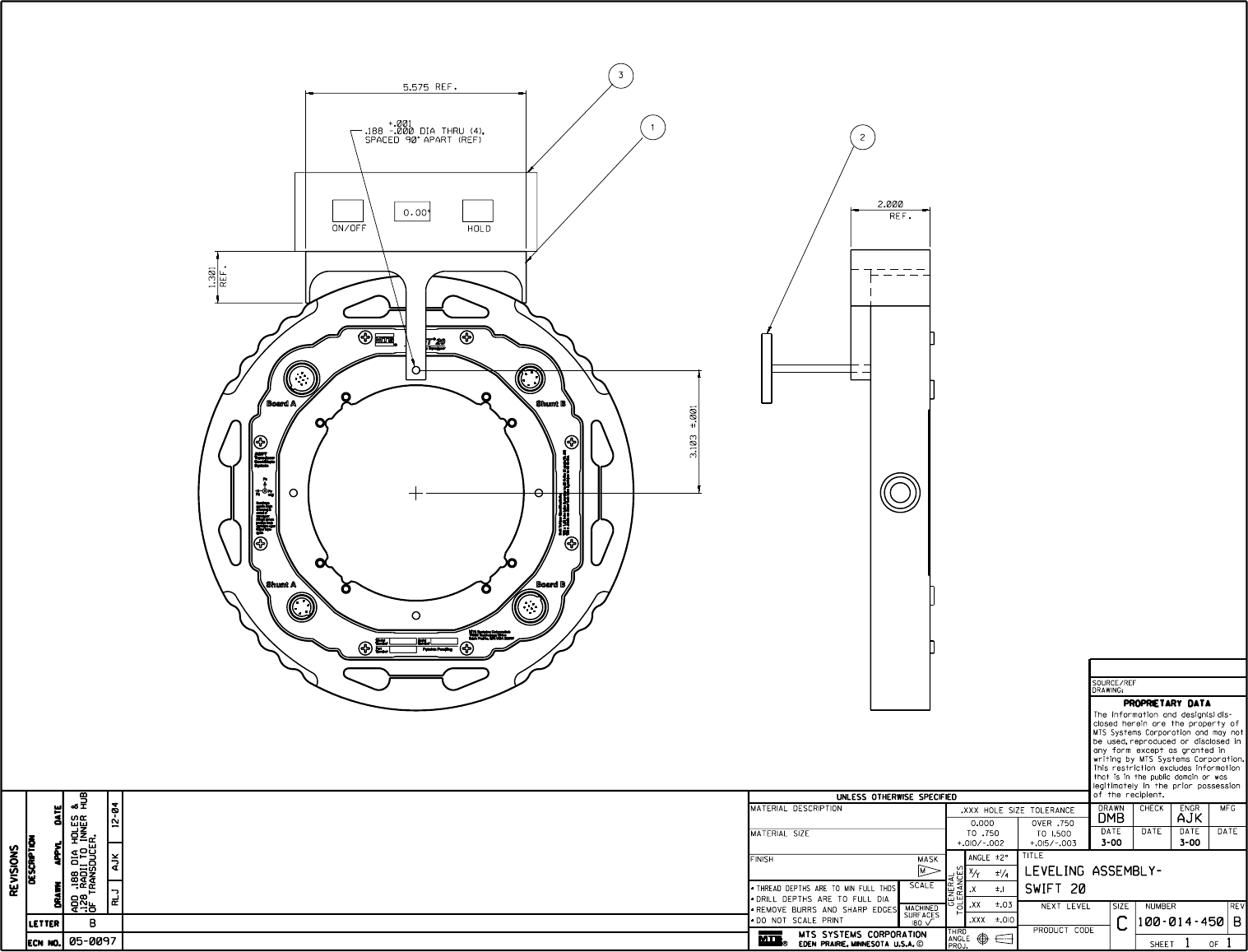
Assembly Drawings
Cable Drawings
SWIFT 20A Mechanical Parts
SWIFT 20T Mechanical Parts
Common Parts
1
...
...
172
173
174
175
176