Owner manual
Table Of Contents
- Technical Support
- Preface
- Hardware Overview
- Software Utilities
- Setting up the Low-Profile Transducer Interface
- Installing the Transducer
- Analyzing SWIFT Data
- Maintenance
- Troubleshooting
- Assembly Drawings

Test Track Vehicle for Slip Ring Sensor
SWIFT 20 Sensors Installing the Transducer
83
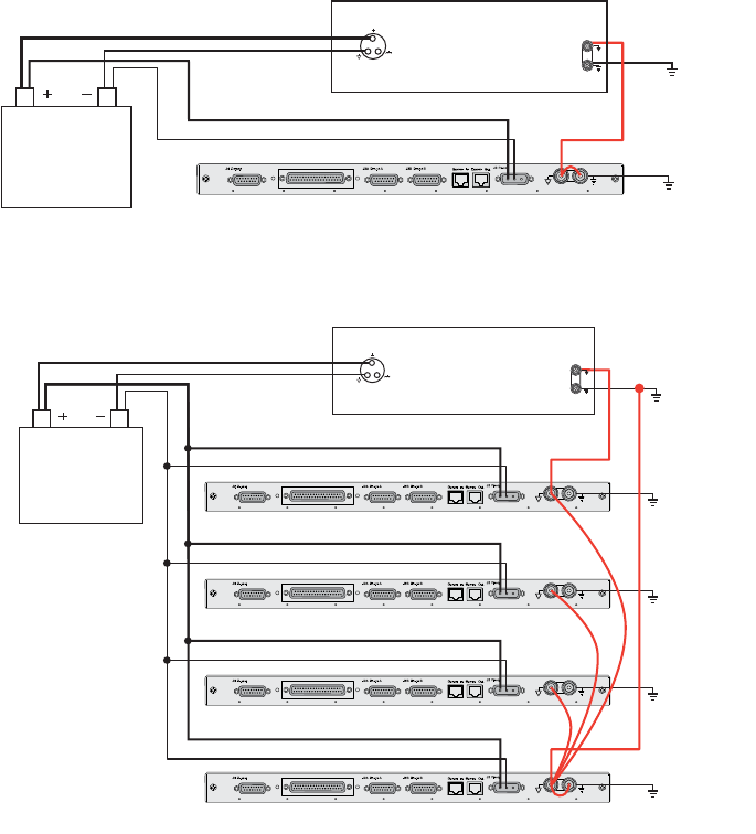
Note Some data acquisition systems may introduce electrical noise spikes to
the battery and cabling. The TI electronics should always be used with
the cleanest power supply possible. To reduce the likelihood of noise
spikes from the data recorder, we suggest running the power cables in
parallel, as shown in the following diagrams. If this does not remove the
noise spikes, separate batteries may be required.
3. Ground the TI and data recorder to the vehicle frame. (See the following
figures.)
Suggested Grounding for a single TI Box
Suggested Grounding for a Multiple TI Boxes
4. Secure the TI box so that it will not move during data collection.
Note If the TI box is not properly secured, it can bump against another piece of
equipment or a hard surface, pushing in the Zero button. If the Zero
button is pushed, you will lose all of the data.
Ground to
vehicle frame
12 Vdc
Transducer Interface
S50-025
Data Recorder
Ground to
vehicle frame
12 Vdc
Transducer Interface
Transducer Interface
Transducer Interface
Transducer Interface
S50-026
Data Recorder










