User Manual
Manuals
Brands
MTS Manuals
Hardware
SWIFT 30 Sensor
161
162
163
164
165
166
167
168
169
170
Table Of Contents
Technical Support
How to Get Technical Support
Before You Contact MTS
If You Contact MTS by Phone
Problem Submittal Form in MTS Manuals
Preface
Before You Begin
Conventions
Documentation Conventions
Hardware Overview
Spinning Applications (Test Track)
Non-spinning Applications (Simulation Lab)
Construction
Design Features
Coordinate System
Specifications
Calibration
Transducer Interface
TI Front Panel
TI Rear Panel
TI Jumpers
Interfacing with RPC
Software Utilities
Introduction
TISTATUS - Transducer Interface Status
TIXFER - Transducer Interface Transfer
TISHUNT - Transducer Interface Shunt
Setting Up Shunt Calibration Reference Values
TISETZERO – Transducer Interface Set Zero Method
Error Messages
Shunt Error Status
Setting up the Transducer Interface
Select a Zero Method
Calibration File Elements
Zero Algorithms
Upload the Calibration File
Edit the Calibration File
Download the Calibration File
Installing the Transducer
Test Track Vehicle
Attaching SWIFT Components to the Vehicle
Attaching SWIFT and Wheel Assembly to the Vehicle
Installing the Transducer Interface Electronics
Setting up the SWIFT Sensor for Data Collection
Verifying the Quality of the Zero Procedure
Collecting Data
Road Simulator
Attaching SWIFT Components to the Fixturing
Zeroing the Transducer Interface
Communication Configurations
Cable Configurations
SWIFT TI to PC Host (9-pin)
SWIFT TI to PC Host (25-pin)
SWIFT TI to SWIFT TI
Termination Jumper
Analyzing SWIFT Data
The Data
Fx Data (Longitudinal Force)
Fz Data (Vertical Force)
Mx Data (Overturning Moment)
My Data (Brake Moment)
Acceleration and Braking Events Example
Slalom Curve Driving Example
Maintenance
Transducer
Transducer Interface
Cables
Troubleshooting
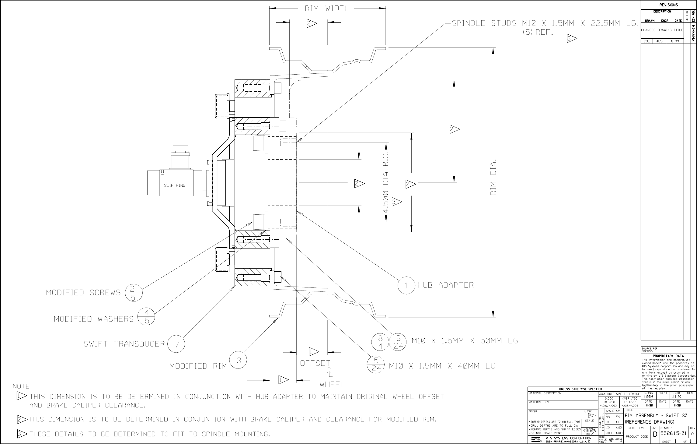
Assembly Drawings
Cable Drawings
SWIFT 30 Mechanical Parts
Common Parts
1
...
...
161
162
163
164
165
...
...
172