User Manual
Table Of Contents

SWIFT 30 Sensors
84
Test Track Vehicle
Installing the Transducer
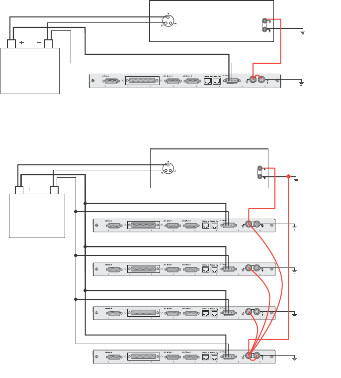
3. Ground the TI and data recorder to the vehicle frame. (See the following
figures.)
Suggested Grounding for a single TI Box
Suggested Grounding for a Multiple TI Boxes
4. Secure the TI box so that it will not move during data collection.
Note If the TI box is not properly secured, it can bump against another piece of
equipment or a hard surface, pushing in the Zero button. If the Zero
button is pushed, you will lose all of the data.
5. Verify that the shunt contacts are covered.
Make sure that the plugs on the slip ring bracket (spider) cover are in place
so that no water will enter the contacts.
Make sure that the bayonette covers on the shunt connectors are securely
locked in place. Each cover should be twisted until it snaps into the retaining
groove.
6. Turn on the TI and let it warm up for 15-20 minutes before you zero the
strain gage bridges.
Ground to
vehicle frame
12 Vdc
Transducer Interface
S50-025
Data Recorder
Ground to
vehicle frame
12 Vdc
Transducer Interface
Transducer Interface
Transducer Interface
Transducer Interface
S50-026
Data Recorder










