user manual
MRH800DS2 VIBRATORY ROLLER • OPERATION AND PARTS MANUAL — REV. #1 (04/12/11) — PAGE 43
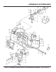
BASE ASSY.
NO. PART NO. PART NAME QTY. REMARKS
1 515119150 BASE (YANMAR-L100) 1
2 939010010 SHOCK ABSORBER, STOPPER 45 2
3 030210250 WASHER, LOCK M10 9
4 020310080 NUT M10 2
5 930710031 SHOCK ABSORBER RV1-100 4
6 020316130 NUT M16 4
7 030216400 WASHER, LOCK M16 4
8 001221625 BOLT 16X25 T 4
10 001221440 BOLT 14X40 T 2
11 030214350 WASHER, LOCK M14 2
12 515447010 SAFETY GUARD 4
13 001520815 SOCKET HEAD BOLT 8X13 T 8
14 515454970 HANDLE STOPPER 1
15 959007140 T- KNOB (M12) 1
16 517459700 SPRING / HANDLE 1
17 001221230 BOLT 12X30 T 2
18 020312100 NUT M12 3
30 515334100 STAY, COVER (F) 1
32 001221020 BOLT 10X20 T 5
33 031110160 WASHER, FLAT M10 7
34 0105050616 BOLT 6X15 T......................................................8................REPLACES 001220615
35 030206150 WASHER, LOCK M6 8
36 952404470 WASHER, FLAT M6 ...........................................8................REPLACES 031106100
56 515334050 SUPPORT , WATER COCK 1
57 014208020 BOLT 8X20 T......................................................2................REPLACES 001220820
58 030208200 WASHER, LOCK M8 2
59 509010010 CAP 3/8 1
60 954403241 COCK PT1/4, BH-1211 (AL) 2
61 954405660 ELBOW 3/8X12 1
63 515446980 WATER HOSE (T-V) 300L 1
64 515446990 WATER HOSE (F) 1200L 1
66 515447470 WATER HOSE (R) 260L 1
67 515910040 SPRINKLING PIPE ASSY. .................................2................INCLUDES ITEMS W/
*
68A
*
515910050 CAP ASSY, W/ BOLT, WASHER .......................4................INCLUDES ITEMS W/ +
68-1+ 001220620 BOLT 6X20 T 4
68-2+ 031106100 WASHER, FLAT M6 4
69 515449900 CLAMP 4
72 351010050 GREASE FITTING A-MT6X1 1
73 954001590 SOCKET PT3/8-3/8 1
91 515213600 HOOK (L100) 1
92 515113710 GUARD (L100) 1
93 001221035 BOLT 10X35T 2
94 001221020 BOLT 10X20T 2
95 030210250 WASHER, LOCK M10 4
96 031110160 WASHER, FLAT M10 4










