User Manual

CS7060 STOW SAW • OPERATION MANUAL — REV. #2 (06/02/08) — PAGE 61
.
.
.
.
.
.
.
. . .
.
.
I
II
III
0
I
III
III
III
II
II
MP1
J10
J28
J27
G1
CR4
MOT2
J33
V1
SP1
P3
J40
SP3
SP2
P5
SS1
SP4
J45
SP5
SS2
J43
J21
J21
J14
J20
J3
J2
J4
RS1
P2
L1
PB1
J30
J15
V2
RS2
J44
P1
R1
J29
CR1
J16
CTL1
CR2
CR3
J17
J25
J39
J38
J34
J41
LS3
RS4
J9
J11
J12
J26
LS2
J18
RS3
J1
TG1
J36
J37
J37
MOT1
J42
LS1
BAT1
KS1
J24
J19
J8
CB2
J13
J7
CB1
J6
J5
J31
CB4
J32
P4
J35
PJ1
J22
J22
J23
J23
J46
J46
CB3
Magnetic
Magnetic
Pickup
Deutsch DT
Deutsch
DT
Tachometer
Tachometer
Lift
Lower Valve
Lower
Valve
Deutsch DT
Deutsch
DT
Deutsch DT
Deutsch
DT
Spike
Supressor
Deutsch DT
Deutsch
DT
Spike
To Water Valve
To
Water
Valve
PosLock
6.3mm (1/4")
6.3mm
(1/4")
Water Valve
Water
Valve
Lights
Lights
E-Stop
#10 Ring
#10
Ring
Glowplug
Glowplug
JPT-10
Deutz 2011F
Deutz
2011F
Valve
Manifold
Lights
1/2W
Time Delay
Time
Delay
#10 Ring
#10
Ring
Chassis
Console
Console
MC6LC
Starter Relay
Starter
Relay
Preheat Relay
Preheat
Relay
Delphi GT
Delphi
GT
Depth Stop
Depth
Stop
Blade Shaft
Blade
Shaft
Airflow Restriction
Airflow
Restriction
Ground Fault Test
Ground
Fault
Test
Solenoid
Solenoid
Starter
Starter
Motor
Ground
Neutral
Safety
Keyswitch
Keyswitch
Power
Control
Control
Engine
Lights
Lights
Deutsch DT
Deutsch
DT
Glowplug
Glowplug
Connector
Connector
Light
Light
Engine Block
Engine
Block
1/2 Ring
1/2
Ring
Ground
Ground
Controls
A
B
30 50 15 31 R L TK H
30 85 86 87
1
2
3
4
5
6
-
+
21
A
B
B
A
21
21
21
A
B
21
1
TACHOMETER
TACHOMETER
2
D+ ALTERNATOR
D+
ALTERNATOR
3
TEMP GAUGE
TEMP
GAUGE
4
TEMP SWITCH
TEMP
SWITCH
5
PRESSURE GAUGE
PRESSURE
GAUGE
6
PRESSURE SWITCH
PRESSURE
SWITCH
7
SOLENOID
8
SOLENOID GROUND
SOLENOID
GROUND
9
EXCESS FUEL
EXCESS
FUEL
10
EXCESS FUEL
EXCESS
FUEL
B
A
2 4 5 6 8
Out
30
IN2
IN1
31
IN2
Airflow
IN4
Preheat
GEN
PSI Sw
PSI
Sw
IN1
D+ Alt
D+
Alt
IN3
Aux Sw 2
Aux
Sw
2
IN5
Temp Sw
Temp
Sw
NC3
NC
KL.15
Accy
NC2
NC
KL.31
Ground
Ground
MAG
Solenoid
NC1
NC
C
B
A
1
2
3
4
5
6
1
2
3
4
5
6
+
-
31
30 50
+
-
15/54
15/54
50a
19
19
30
30
17
17
1
30
2
30
3
17
4
17
5
15/54
6
15/54
7
50A
8
19
9
19
10
58
1
2
3
4
.
.
.
.
.
.
.
.
.
.
.
.
.
.
.
.
.
.
.
.
.
.
.
.
.
.
.
.
.
.
.
.
.
.
.
.
.
.
.
.
.
.
.
.
.
.
.
.
.
2.2 k
2.2
k
.
.
.
.
.
.
.
.
.
.
16 AWG Red/White
16
AWG
Red/White
16 AWG Yellow/Blue
16
AWG
Yellow/Blue
16 AWG Dark Green
16
AWG
Dark
Green
16 AWG Yellow/Orange
16
AWG
Yellow/Orange
16 AWG Yellow
16
AWG
Yellow
.
16 AWG Yellow/Black
16
AWG
Yellow/Black
.
.
.
.
.
.
.
.
.
.
.
.
.
.
.
.
.
.
.
.
. . .
.
.
.
.
.
.
.
.
.
.
.
.
.
.
.
.
.
.
.
.
.
.
.
.
.
.
.
12V
.
.
.
.
.
.
.
.
.
.
.
10A
.
.
10A
.
.
.
.
50A
.
. . .
16 AWG Red
16
AWG
Red
16 AWG Orange
16
AWG
Orange
16 AWG Tan
16
AWG
Tan
16 AWG Red
16
AWG
Red
16 AWG Black
16
AWG
Black
16 AWG Black
16
AWG
Black
10 AWG Red
10
AWG
Red
12 AWG Red/Black
12
AWG
Red/Black
10 AWG Tan
10
AWG
Tan
16 AWG Black
16
AWG
Black
10 AWG Red
10
AWG
Red
16 AWG Black
16
AWG
Black
16 AWG Red
16
AWG
Red
16 AWG Red
16
AWG
Red
16 AWG Red/White
16
AWG
Red/White
16 AWG Black
16
AWG
Black
16 AWG Brown
16
AWG
Brown
16 AWG White
16
AWG
White
16 AWG Red/Black
16
AWG
Red/Black
16 AWG Grey
16
AWG
Grey
16 AWG Lite Blue
16
AWG
Lite
Blue
16 AWG Red
16
AWG
Red
16 AWG Orange
16
AWG
Orange
16 AWG Red
16
AWG
Red
12 AWG Red
12 AWG Red
12 AWG Red
12 AWG Red
16 AWG Red
16 AWG Red
10 AWG Red
10
AWG
Red
16 AWG Red/Black
16
AWG
Red/Black
16 AWG Black
16
AWG
Black
16 AWG Black
16
AWG
Black
16 AWG Black
16
AWG
Black
16 AWG Lite Blue
16
AWG
Lite
Blue
16 AWG Orange
16
AWG
Orange
16 AWG Red
16
AWG
Red
16 AWG Lite Blue
16
AWG
Lite
Blue
16 AWG Black
16
AWG
Black
.
.
.
.
.
.
.
.
.
.
.
.
16 AWG Black
16
AWG
Black
10 AWG Red
10
AWG
Red
16 AWG Black
16
AWG
Black
16 AWG Black
16
AWG
Black
16 AWG Orange
16
AWG
Orange
10 AWG Red
10
AWG
Red
16 AWG Red/Black
16 AWG Red/Black
14 AWG Pink/Black
14 AWG Pink/Black
14 AWG Pink/Black
14
AWG
Pink/Black
16 AWG Black
16 AWG Black
16 AWG Red/Black
16
AWG
Red/Black
14 AWG Purple
14
AWG
Purple
14 AWG Purple
14
AWG
Purple
16 AWG Red/Black
16
AWG
Red/Black
10A
12 AWG Red
12
AWG
Red
16 AWG Red/White
16
AWG
Red/White
14 AWG Pink/Black
14
AWG
Pink/Black
16 AWG Lite Green/Black
16
AWG
Lite
Green/Black
16 AWG Yellow/Black
16
AWG
Yellow/Black
16 AWG Black
16
AWG
Black
16 AWG Black
16
AWG
Black
16 AWG Grey
16
AWG
Grey
Pump
Supressor
110
115
117
120
103
106
107
160
156
105
104
101
102
119
118
121
123
163
152
116
138
151
155
161
162
128
134
109
140
112
108
131
136
137
142
146
150
153
153
149
154
122
125
126
133
144
147
111
129
159
132
113
157
158
135
145
143
141
114
124
130
127
148
139
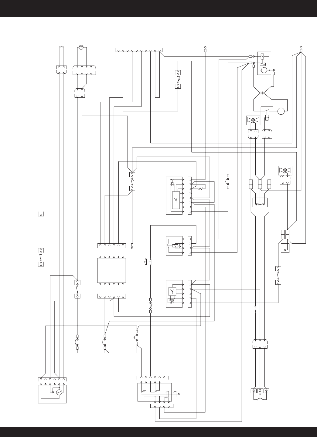
CS7060 STOW SAW — ELECTRICAL DIAGRAM SN AF3700156 & UP
ELECTRICAL DIAGRAM S/N AF3700156 AND UP










