Portable Generator User Manual

DCA70USI2 60 HZ GENERATOR • OPERATION AND PARTS MANUAL — REV. #0 (06/28/11) — PAGE 23
OUTPUT TERMINAL PANEL FAMILIARIZATION
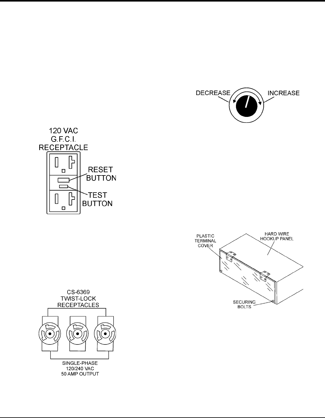
120 VAC GFCI Receptacles
There are two 120 VAC, 20 amp GFCI (Duplex Nema
5-20R) receptacles provided on the output terminal panel.
These receptacles can be accessed in any voltage
selector switch position. Each receptacle is protected by a
20 amp circuit breaker. These breakers are located directly
above the GFCI receptacles. Remember the load output
(current) of both GFCI receptacles is dependent on the load
requirements of the U, V, and W output terminal lugs.
Pressing the reset button resets the GFCI receptacle after
being tripped. Pressing the test button (See Figure 7) in
the center of the receptacle will check the GFCI function.
Both receptacles should be tested at least once a month.
Figure 7. G.F.C.I. Receptacle
Twist Lock Dual Voltage 120/240 VAC Receptacles
There are three 120/240V, 50 amp auxiliary twist-lock (CS-
6369) receptacles (Figure 8) provided on the output
terminal panel. These receptacles can only be accessed
when the voltage selector switch is placed in the single-
phase 240/120 position.
Figure 8. 120/240V Twist-Lock Auxiliary
Receptacles
Each auxiliary receptacle is protected by a 50 amp circuit
breaker. These breakers are located directly above the
GFCI receptacles. Remember the load output (current) on
all three receptacles is dependent on the load requirements
of the Output Terminal Lugs.
Turn the voltage regulator control knob (Figure 9) on the
control panel to obtain the desired voltage. Turning the knob
clockwise will increase the voltage, turning the knob
counter-clockwise will decrease the voltage.
Figure 9. Voltage Regulator Control Knob
Removing the Plastic Face Plate (Hard Wire
Hookup Panel)
The Output Terminal Lugs are protected by a
plastic face plate cover (Figure 10). Un-screw the securing
bolts and lift the plastic terminal cover to gain access to
the terminal enclosure.
After the load wires have been securely attached to the
terminal lugs, reinstall the plastic face plate.
Figure 10. Plastic Face Plate
(Output Terminal Lugs)










