Portable Generator User Manual
Manuals
Brands
Multiquip Manuals
Portable Generator
DCA70USI2
71
72
73
74
75
76
77
78
79
80
P
A
GE 74 — DCA70USI2 60 HZ GENERA
T
OR • OPERA
TION AND P
ARTS MANU
AL — REV
.
#0 (06/28/11)
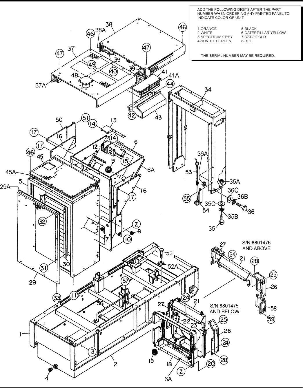
ENCLOSURE ASSY
. #1 (CONTINUED)
1
...
...
72
73
74
75
76
...
...
84