Trash Compactor User Manual

MVH-R60H —OPERATION AND PARTS MANUAL — REV. #1 (09/09/04) — PAGE 35
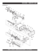
MVH-R60H — CONTROL HANDLE ASSY. (CONTINUED)
CONTROL HANDLE ASSY. (CONTINUED)
NO PART NO PART NAME QTY. REMARKS
36 463455950 SPACER, THROTTLE 1
37 362341550 THROTTLE BODY 1
38 362455610 THROTTLE GEAR 1
39 362455630 THROTTLE LEVER 1
40 362455620 SLIDER 1
41 050100450 O-RING G-45 1
42 050200100 O-RING P-10 1
43 031110160 WASHER, FLAT M10 3
44 033910070 CONICAL SPRING WASHER 2
44 032110180 CONICAL SPRING WASHER M10 2
45 096206006 SOCKET HEAD SCREW 6X6 1
46 020410060 NUT M10, H+6 1
47 022131008 CAP NUT M10 1
48 096208020 SOCKET HEAD SCREW 8X20 1
49 020408050 NUT M8, H+5 1
50 956100047 THROTTLE WIRE 845-925 1
51 001220625 BOLT 6X25 T 2
52 030206150 WASHER, LOCK M6 2
53 031106100 WASHER, FLAT M6 2
54 511010040 CLAMP TC-300 1