User's Manual
Manuals
Brands
Multiquip Manuals
Portable Generator
Multiquip Multiquip Portable Generator CDA45SSIU3
41
42
43
44
45
46
47
48
49
50
DCA45SSIU3 50 HZ GENERA
T
OR • OPERA
TION AND P
ARTS MANU
AL — REV
. #2 (12/19/08) — P
A
GE 45
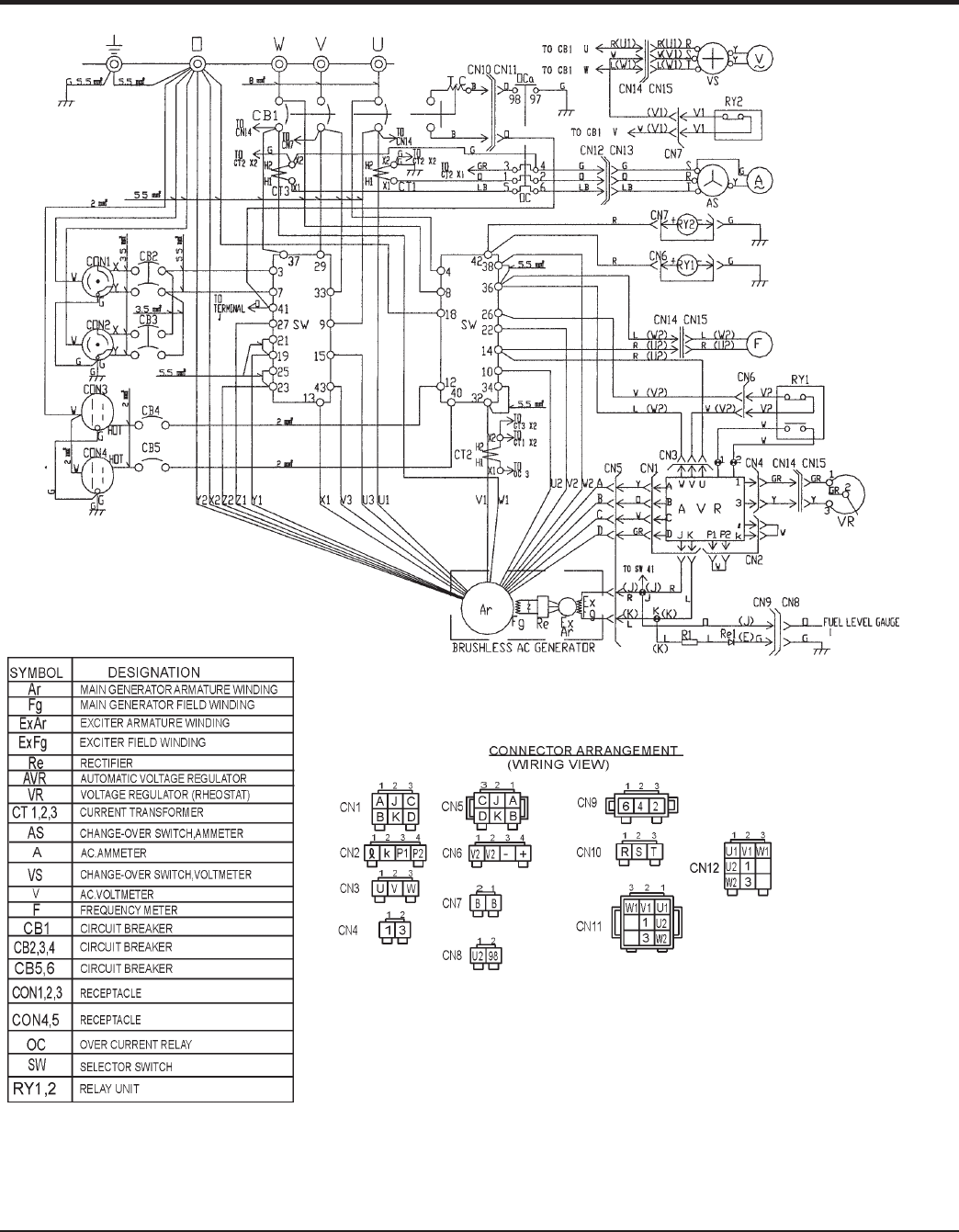
GENERA
TOR WIRING DIAGRAM
Generator Wiring
Diagram
Figure 59.
1
...
...
43
44
45
46
47
...
...
78