
DCA20SPXU2 SERVPRO
®
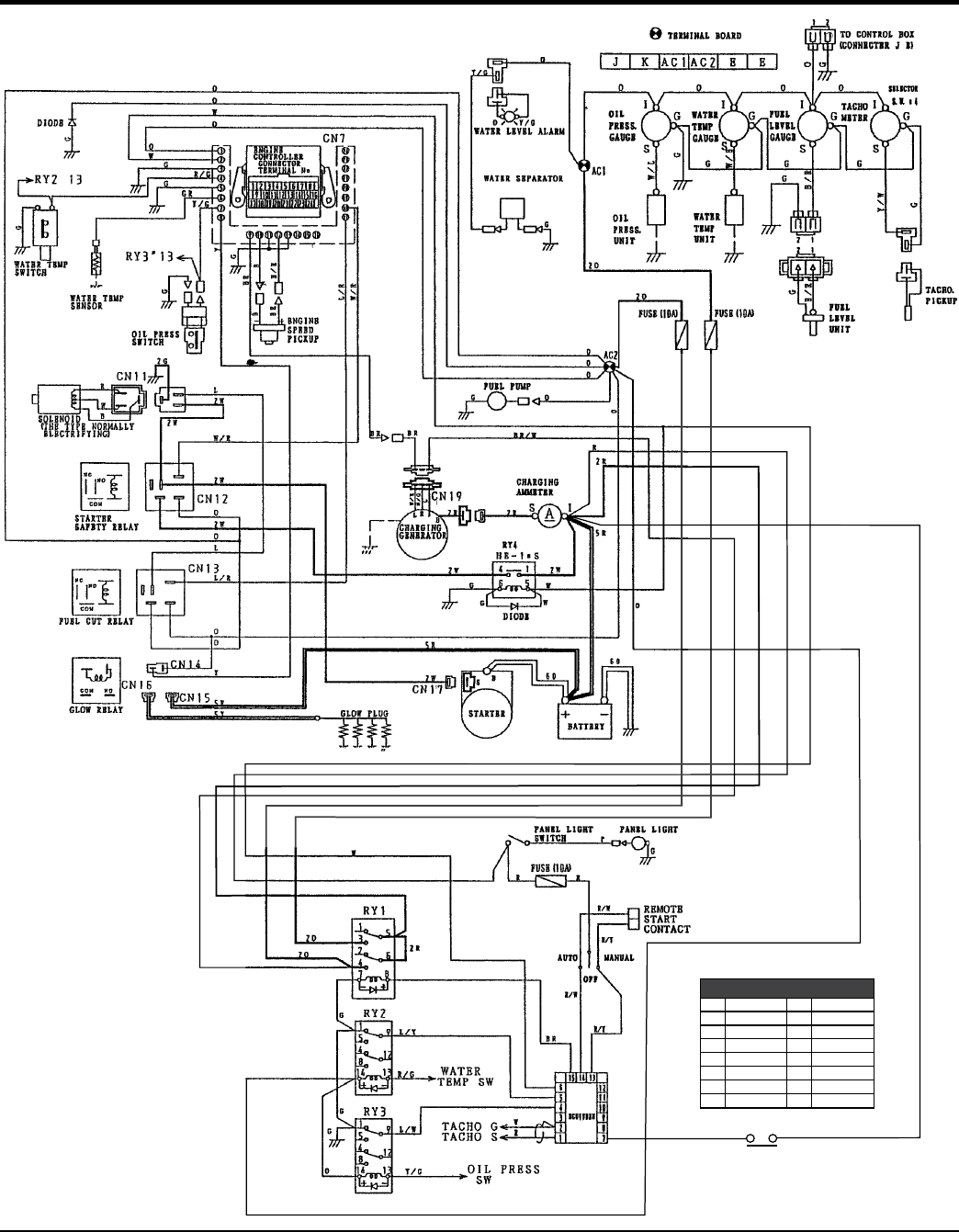
ENGINE WIRING DIAGRAM
B
L
G
V
P
R
W
Y
O
BR
GR
LB
LG
WIRE COLOR
BLACK
BLUE
BROWN
GREEN
GRAY
VIOLET
PINK
ORANGE
LIGHT GREEN
LIGHT BLUE
YELLOW
WHITE
RED
WIRE COLOR
COLOR CODE
EMERGENCY STOP
SWITCH
BR R