User's Manual
Manuals
Brands
Multiquip Manuals
Portable Generator
Multiquip Multiquip Portable Generator DCA250SSI
41
42
43
44
45
46
47
48
49
50
DCA250SSI/DCA250SSIU GENERA
T
OR • OPERA
TION AND P
ARTS MANU
AL — REV
.
#0 (01/12/11) — P
A
GE 47
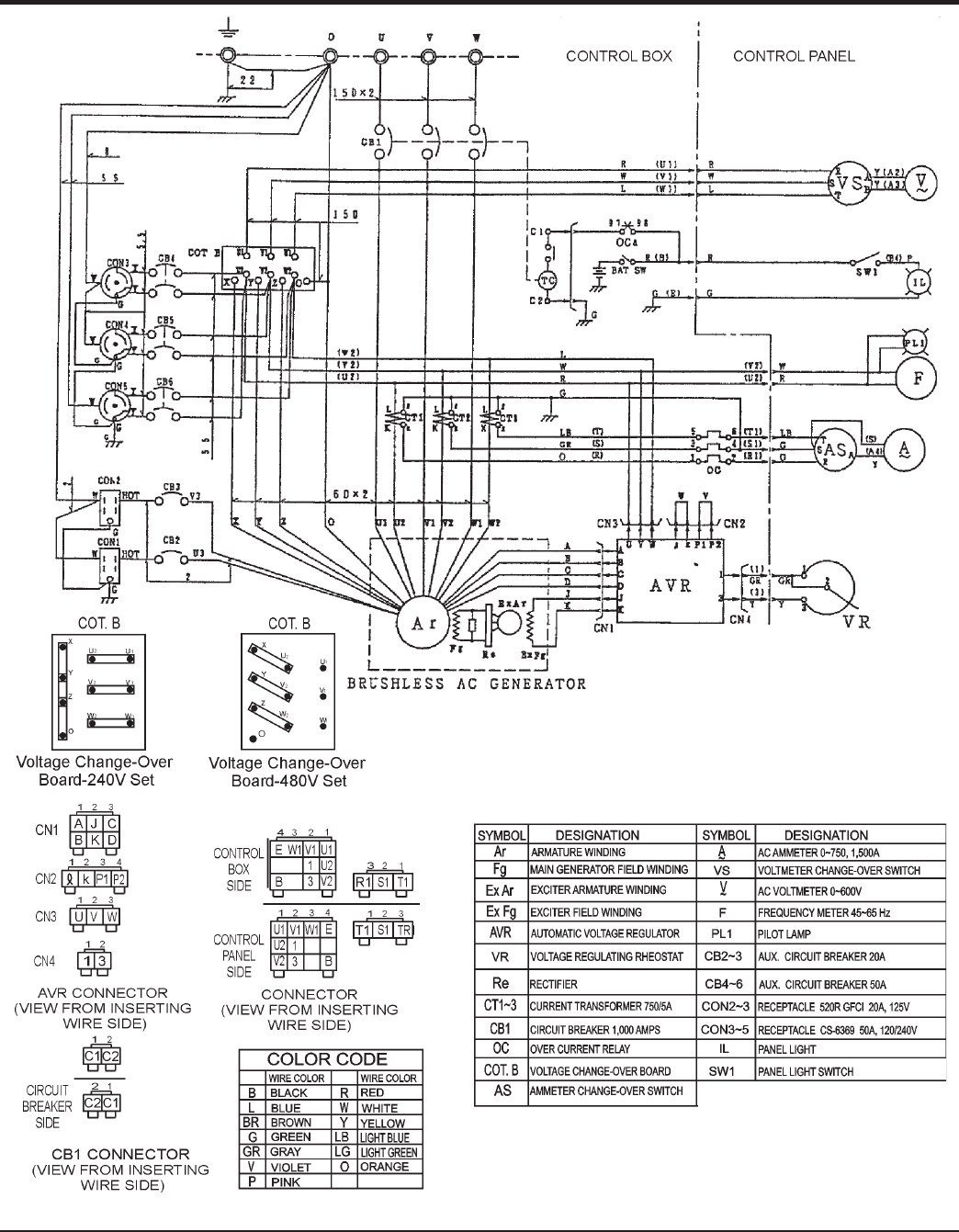
GENERA
TOR WIRING DIAGRAM
Figure 66.
Generator
Wiring Diagram
1
...
...
45
46
47
48
49
...
...
104