User's Manual
Manuals
Brands
Multiquip Manuals
Portable Generator
Multiquip Multiquip Portable Generator DCA250SSI
71
72
73
74
75
76
77
78
79
80
P
A
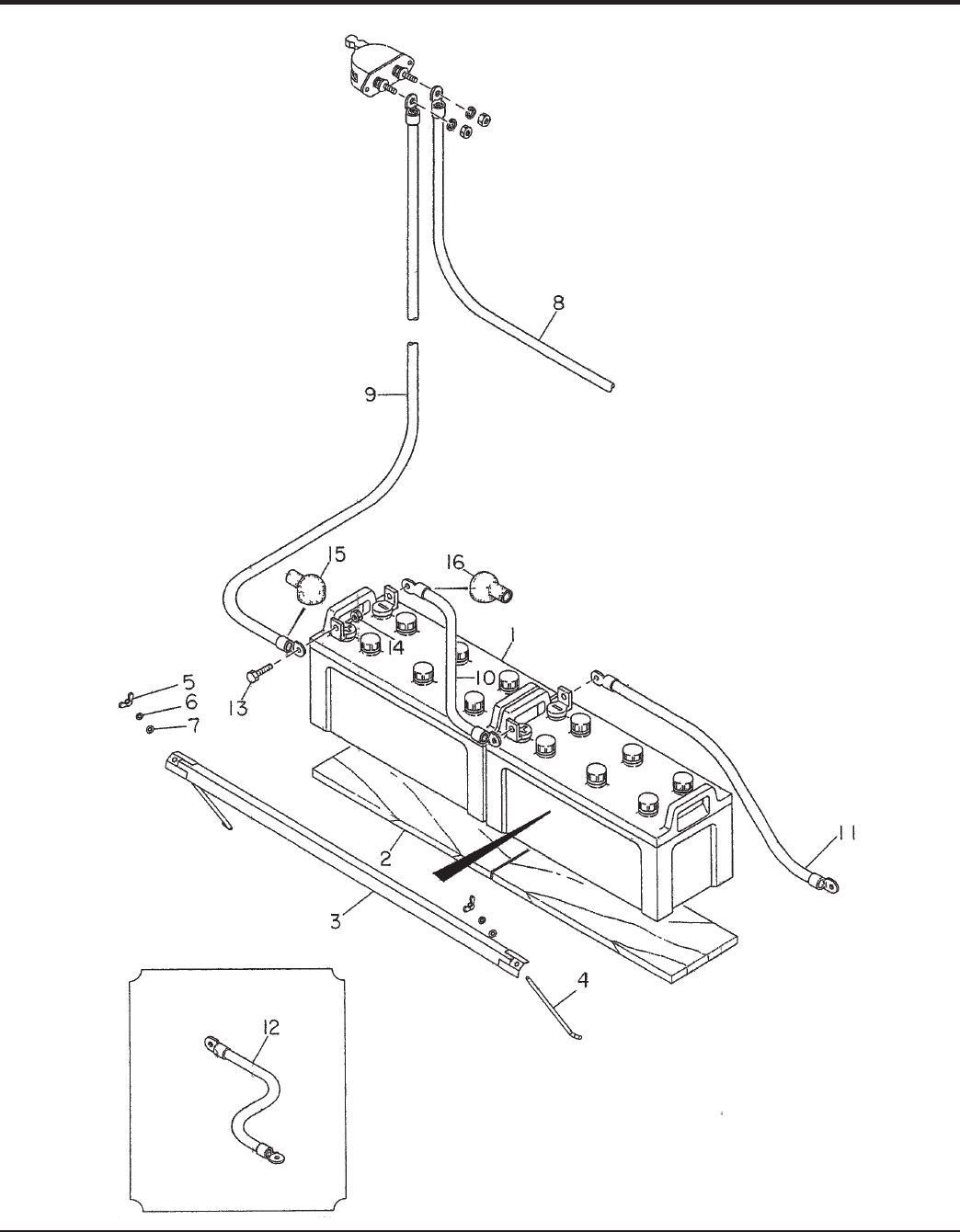
GE 76 — DCA250SSI/DCA250SSIU GENERA
T
OR • OPERA
TION AND P
ARTS MANU
AL — REV
.
#0 (01/12/11)
BA
TTER
Y ASSY
. (DCA250SSI)
1
...
...
74
75
76
77
78
...
...
104