User's Manual
Manuals
Brands
Multiquip Manuals
Trash Compactor
Multiquip Multiquip Trash Compactor MVC-88GHW
31
32
33
34
35
36
37
38
39
40
l
P
A
GE 38 — MVC88GH/GHW PLA
TE COMP
A
CT
OR — OPERA
TION AND P
AR
TS MANU
AL — REV
.
#5 (01/11/11)
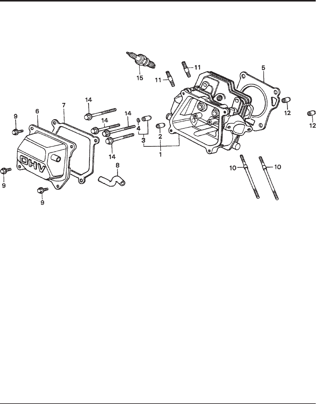
CYLINDER HEAD ASSY
.
1
...
...
36
37
38
39
40
...
...
74