User's Manual
Manuals
Brands
Multiquip Manuals
Welding System
Multiquip Multiquip Welding System GA-6RZR2
11
12
13
14
15
16
17
18
19
20
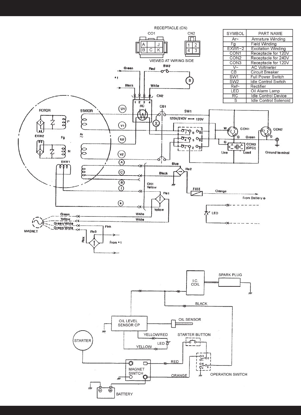
GA-6RZR2 A.C. GENERATOR — PARTS & OPERATION MANUAL — REV. #5 (09/16/05) — PAGE 19
GA-6RZR2— WIRING
DIA
GRAM
GENERA
T
OR
ENGINE
1
...
...
17
18
19
20
21
...
...
52