User Manual
Manuals
Brands
Multiquip Manuals
Generators
Power Whisperwatt Series 60HZ Generator DCA70USI2
41
42
43
44
45
46
47
48
49
50
DCA70USI2 60 HZ GENERA
T
OR • OPERA
TION AND P
ARTS MANU
AL — REV
. #0 (06/28/11) — P
A
GE 45
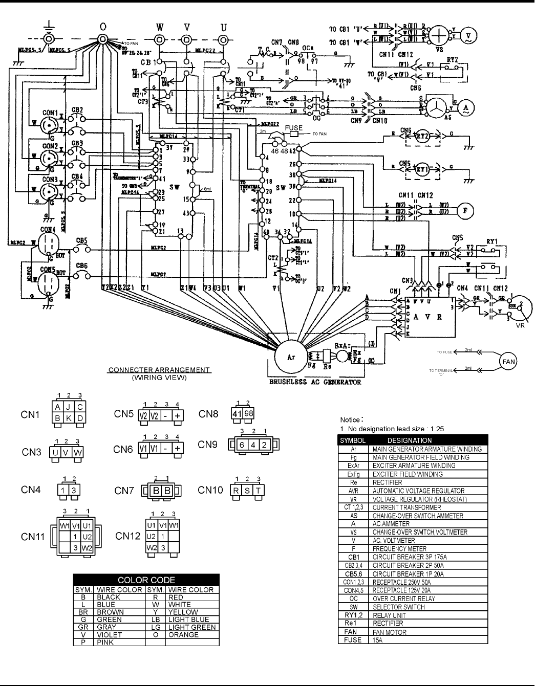
GENERA
TOR WIRING DIAGRAM
Figure 63.
Generator
Wiring Diagram
1
...
...
43
44
45
46
47
...
...
84