user manual

PAGE 14 — MVH306GH PLATE COMPACTOR — OPERATION AND PARTS MANUAL — REV. #8 (01/31/14)
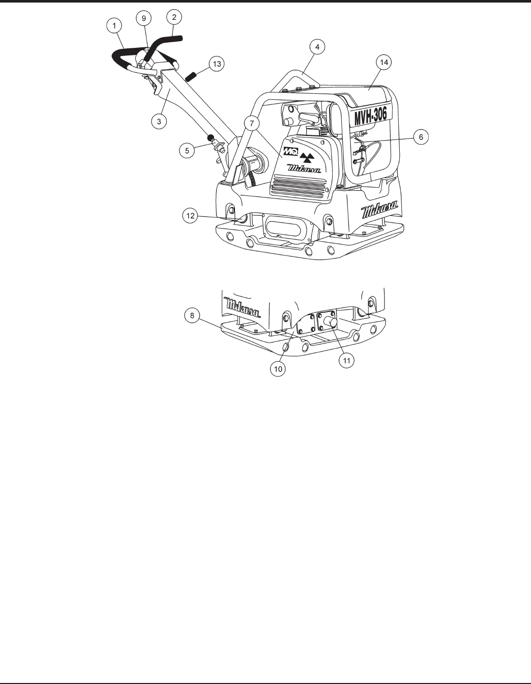
Figure 4. MVH306GH Reversible Plate
Compactor Components
Figure 4 illustrates the location of the major components for the
MVH306GH Reversible Plate Compactor. The function of each
component is described below:
1. Hand Grip – When operating the compactor use this hand
grip to maneuver the compactor.
2. Forward & Reverse Lever –
Push
the lever forward, the
compactor will move in a forward direction,
pull
the lever
backwards, the compactor will move in backwards direction.
Placing the lever in the middle (midway) will cause the
compactor not to move (neutral).
3. Handle Bar – When operating the compactor, this handle
is to be in the downward position. When the compactor is
to be
stored
, move the handle bar to the upright position.
4. Guard Hook - Used to lift the machine with crane or other
lifting device.
5. Stopper - Locks the handle in place in the upward position
for stowing.
6. Engine – This plate compactor uses a GX270K1-SMX2
gasoline engine. Refer to the owner’s manual for engine
information and related topics.
7. Belt Cover – Remove this cover to gain access to the V-
belts. NEVER run the compactor without the V-belt cover. If
the V-belt cover is not installed, the possibility exist that
your hand may get caught between the V-belt and clutch,
thus causing serious injury and bodily harm.
8. Base Plate – Designed to compact sand, clay, and asphalt.
9. Oil Reservoir – Fill with Shell Tellus Oil 46 or equivalent
grade hydraulic oil.
10. Vibration Case – Encloses the eccentric, gears and
counter weights.
11. Hydraulic Cylinder – Activated by moving the travel lever.
The cylinder controls the direction of movement by the plate
compactor.
12. Shock Absorber – Protects plate compactor from damage
by absorbing vibration during operation.
13. Throttle Lever – Controls speed of the plate compactor.
Place straight vertically to start, push fully counterclockwise
for full throttle and fully clockwise to stop plate compactor.
14. Rubber Cover – Lift this rubber cover to gain access to
the fuel tank.
COMPONENTS










