Specifications
Table Of Contents
- Chapter 1 – Product Description and Specifications
- Chapter 2 – Activating and Installing the Modem
- Chapter 3 – Using the Wireless Modem
- Using AT Commands to Verify Signal Strength and Roaming Status
- Connecting to the Internet
- Appendix A – Regulatory Compliance
- Appendix B - Cellular Information
- Appendix C – Environmental Information

Chapter2–ActivatingandInstallingtheModem
Multi‐TechSystems,Inc.MultiModemCellUserGuide 11
ConnectingtheAntennaandUSBCable
1. ConnectasuitableantennatotheANTconnector.
2. TheUSBcableuses500mAfromtheUSBpowerline.ConnectoneendoftheUSBcabletoyourcomputeror
otherUSBhighpowerdevice,suchasahub.ConnecttheotherendtothemodemUSBconnector.
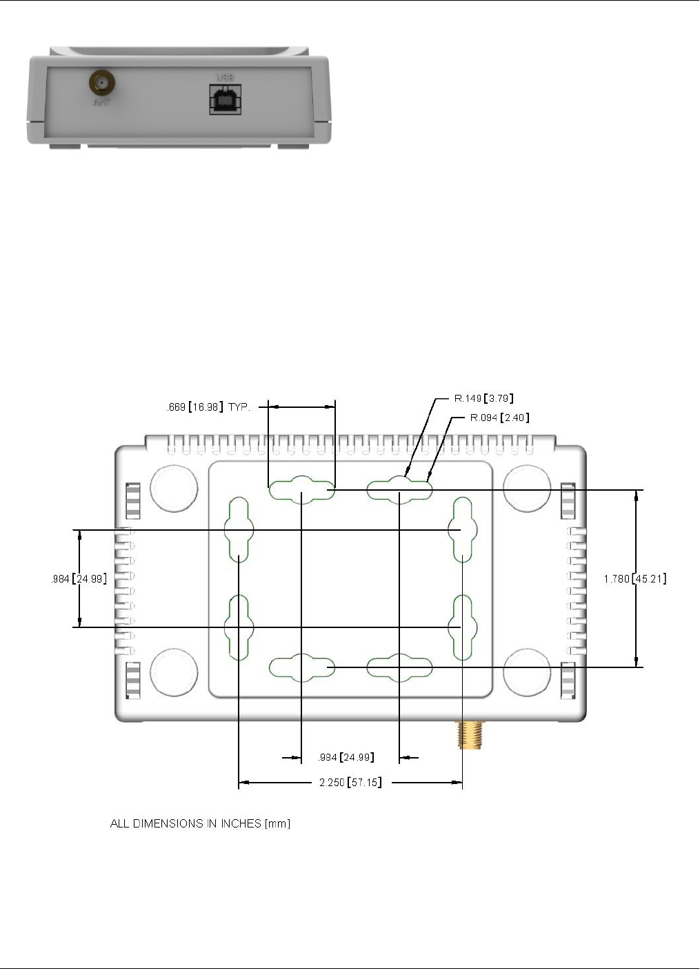
MountingtheModemonaFlatSurface
Youcanmountthemodemonaflatsurface,ifdesired.Toproperlyplacemountingscrews,usethe
measurementsshownintheillustrationthatfollows.
Use#6panheadscrewsforallmountlocations.