Specifications

Section 20 00-02-2003
06-21-10 - 6 -
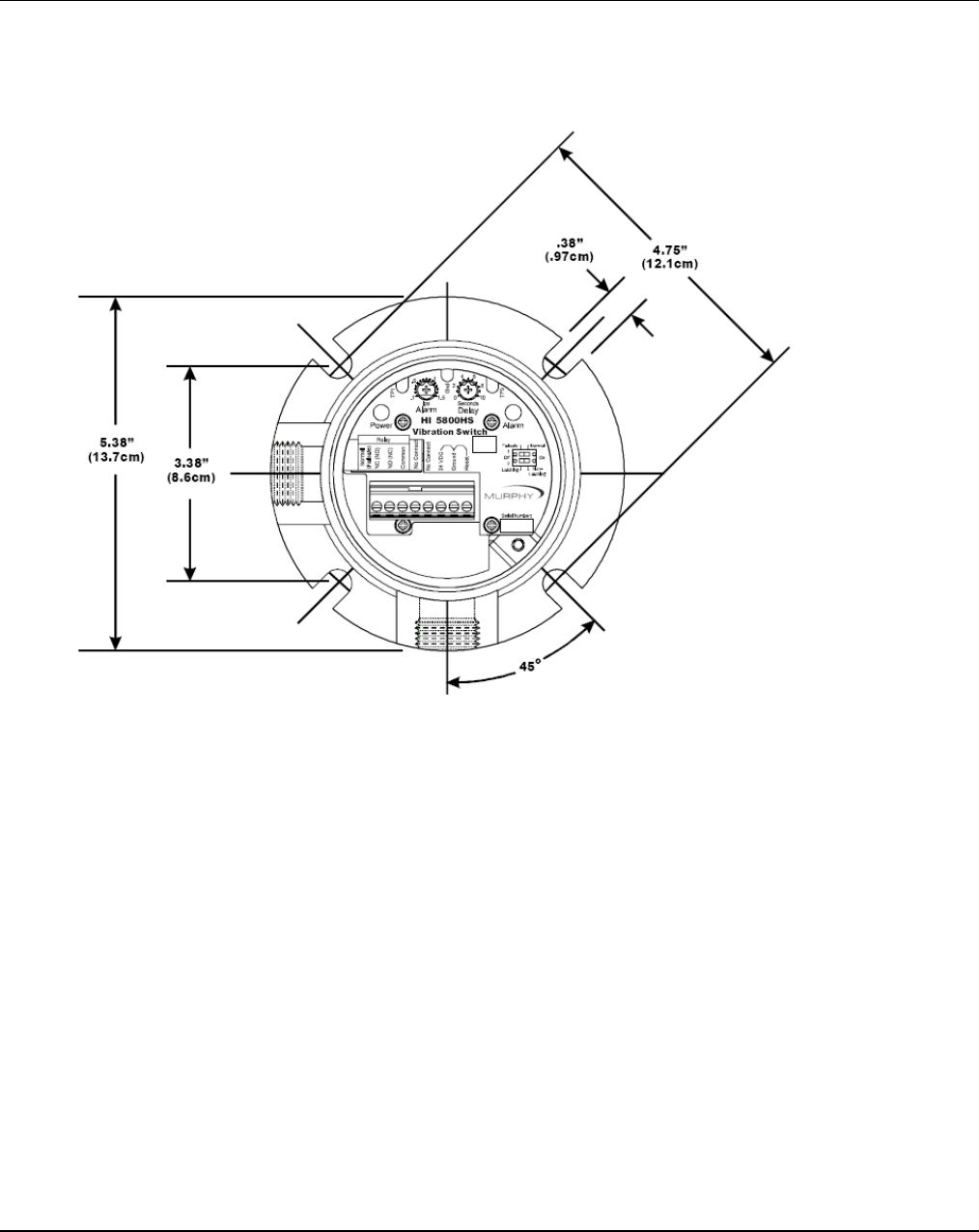
Mechanical Installation
Pre-Installation Requirements
Make sure that the surface that you are going to mount the EVS EX to is flat and will
fit the hole pattern for the enclosure.
If the surface is rough, try to make the surface as smooth as possible.
Always install the EVS EX perpendicular to the vibration force being monitored.
It is highly recommended that you use flexible conduit or a flexible connector
between the rigid conduit and the EVS EX enclosure. A minimum of a 12”
flexible connection is recommended.
PHASE OUT / DISCONTINUED
Check Availability










