Snow Thrower Owner's Manual
Manuals
Brands
Murray Manuals
Snow Blower
615000x30NA
11
12
13
14
15
16
17
18
19
20
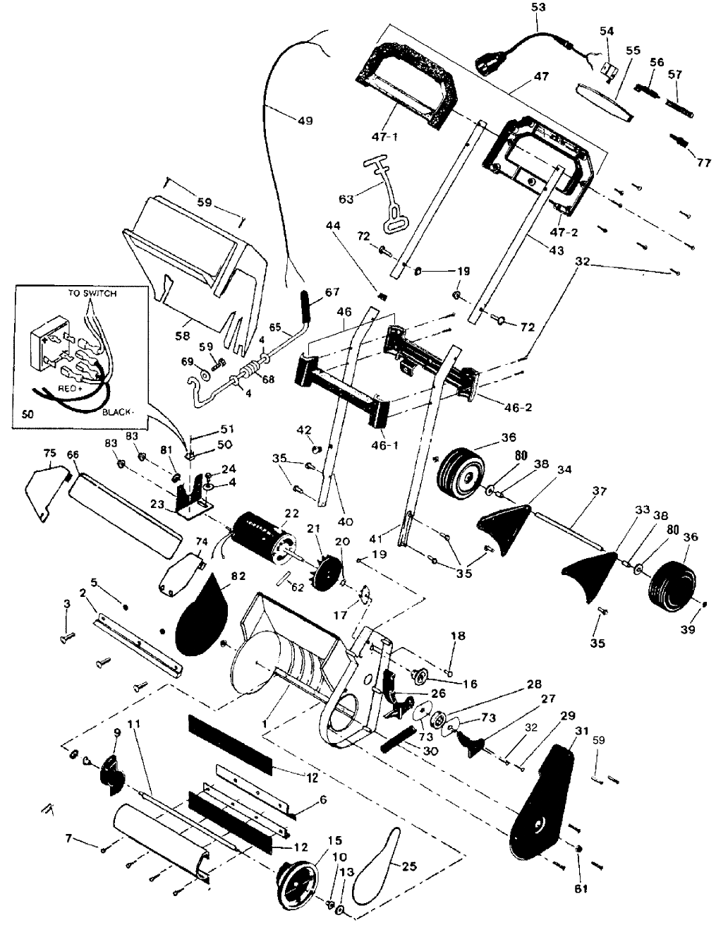
MODEL 615000x30NA
REP
AIR P
ARTS
12
F-031061C
342966
1
...
...
10
11
12
13
14
...
...
24