Installation Instructions
Table Of Contents
- Inhoudsopgave
- 1 Toelichting bij de symbolen en veiligheidsaanwijzingen
- 1.1 Uitleg van de symbolen
- 1.2 Algemene veiligheidsinstructies
- 2 Leveringsomvang
- 3 Algemeen
- 4 Technische instructies
- 5 Afmetingen, minimale afstanden en leidingaansluitingen
- 6 Voorschriften
- 7 Installatie
- 7.1 Voorbereidende leidingaansluitingen
- 7.2 Opstellen
- 7.3 Waterkwaliteit
- 7.4 CV-installatie spoelen
- 7.5 Checklist
- 7.6 Bedrijf zonder buitenunit (standalone-bedrijf)
- 7.7 Installatie met koelbedrijf
- 7.8 Installatie met warmwaterbereiding via zonne-energie (alleen zonne-energiemodellen)
- 7.9 Installatie met zwembad
- 7.10 Installatie met buffervat
- 7.11 Binnenunit op de cv-installatie en warmwater
- 7.12 Hoogrendementspomp (PC0)
- 7.13 Circulatiepomp voor cv-installatie (PC1)
- 7.14 Circulatiepomp PW2 (accessoire)
- 7.15 Isolatie
- 7.16 Meerder cv-circuits (accessoire mengermodule, zie afzonderlijke handleiding)
- 7.17 Dauwpuntsensoren (accessoire voor koelbedrijf) monteren
- 7.18 Kamerthermostaat monteren
- 7.19 Buiten-en binnenunit vullen
- 8 Elektrische aansluiting - algemeen
- 9 Elektrische aansluiting - buitenunit
- 9.1 Klemaansluitingen in de sturing, elektrische bijverwarming met 9 kW 3N~, fabrieksuitvoering
- 9.2 Klemaansluitingen in de sturing, elektrische bijverwarming met 9 kW 1N~, zie volgorde van de jumpers
- 9.3 Aansluitschema voor elektrische bijverwarming met 9 kW 3N~, fabrieksuitvoering
- 9.4 Aansluitschema voor elektrische bijverwarming met 9 kW 1N~
- 9.5 Aansluitschema voor elektrische bijverwarming met 9 kW 3N~
- 9.6 Elektrisch schema installatieprintplaat HC100
- 9.7 Aansluitschema buitenunit/binnenunit
- 9.8 Elektrische aansluiting energieleverancier
- 9.8.1 Klemaansluitingen in de sturing, elektrische bijverwarming met 9 kW 3N~, energieleverancier, zie volgorde van de jumpers
- 9.8.2 Klemaansluitingen in de sturing, elektrische bijverwarming met 9 kW 1N~, energieleverancier, zie volgorde van de jumpers
- 9.8.3 Aansluitschema voor EVU/SG
- 9.8.4 EVU 1, uitschakeling van compressor en elektrische bijverwarming
- 9.8.5 EVU 2, alleen uitschakeling van de compressor
- 9.8.6 EVU 3, alleen uitschakeling elektrische bijverwarming
- 9.8.7 Smart Grid
- 9.8.8 Fotovoltaica
- 10 Buiten-en binnenunit ontluchten
- 11 Onderdelen in de binnenunit vervangen
- 12 Functietest
- 13 Milieubescherming
- 14 Inspectie
- 15 Aansluitmogelijkheid voor IP-module

18
IDU Monoblock 5-17 T/TS • 6 720 817 794 (2015/08)
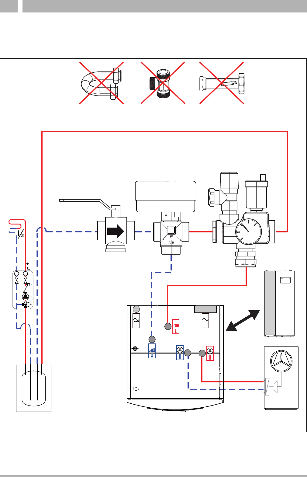
Installatie7
7.10 Installatie met buffervat
Bij gebruik van een buffervat moet de 3-wegklep VC0 conform de instal-
latieconfiguratie worden geïnstalleerd. De 3-wegklep vervangt het T-
stuk in de inlaatcombinatie en wordt bij de installatieprintplaat HC100
op aansluitklem VC0 aangesloten.
Afb. 14 Installatie met buffervat
M
T T
6 720 813 881-10.2I
<50V
230V
/
400V
BA
AB
VC0
BA










