Installation Instructions
Table Of Contents
- Inhoudsopgave
- 1 Toelichting bij de symbolen en veiligheidsaanwijzingen
- 1.1 Uitleg van de symbolen
- 1.2 Algemene veiligheidsinstructies
- 2 Leveringsomvang
- 3 Algemeen
- 4 Technische instructies
- 5 Afmetingen, minimale afstanden en leidingaansluitingen
- 6 Voorschriften
- 7 Installatie
- 7.1 Voorbereidende leidingaansluitingen
- 7.2 Opstellen
- 7.3 Waterkwaliteit
- 7.4 CV-installatie spoelen
- 7.5 Checklist
- 7.6 Bedrijf zonder buitenunit (standalone-bedrijf)
- 7.7 Installatie met koelbedrijf
- 7.8 Installatie met warmwaterbereiding via zonne-energie (alleen zonne-energiemodellen)
- 7.9 Installatie met zwembad
- 7.10 Installatie met buffervat
- 7.11 Binnenunit op de cv-installatie en warmwater
- 7.12 Hoogrendementspomp (PC0)
- 7.13 Circulatiepomp voor cv-installatie (PC1)
- 7.14 Circulatiepomp PW2 (accessoire)
- 7.15 Isolatie
- 7.16 Meerder cv-circuits (accessoire mengermodule, zie afzonderlijke handleiding)
- 7.17 Dauwpuntsensoren (accessoire voor koelbedrijf) monteren
- 7.18 Kamerthermostaat monteren
- 7.19 Buiten-en binnenunit vullen
- 8 Elektrische aansluiting - algemeen
- 9 Elektrische aansluiting - buitenunit
- 9.1 Klemaansluitingen in de sturing, elektrische bijverwarming met 9 kW 3N~, fabrieksuitvoering
- 9.2 Klemaansluitingen in de sturing, elektrische bijverwarming met 9 kW 1N~, zie volgorde van de jumpers
- 9.3 Aansluitschema voor elektrische bijverwarming met 9 kW 3N~, fabrieksuitvoering
- 9.4 Aansluitschema voor elektrische bijverwarming met 9 kW 1N~
- 9.5 Aansluitschema voor elektrische bijverwarming met 9 kW 3N~
- 9.6 Elektrisch schema installatieprintplaat HC100
- 9.7 Aansluitschema buitenunit/binnenunit
- 9.8 Elektrische aansluiting energieleverancier
- 9.8.1 Klemaansluitingen in de sturing, elektrische bijverwarming met 9 kW 3N~, energieleverancier, zie volgorde van de jumpers
- 9.8.2 Klemaansluitingen in de sturing, elektrische bijverwarming met 9 kW 1N~, energieleverancier, zie volgorde van de jumpers
- 9.8.3 Aansluitschema voor EVU/SG
- 9.8.4 EVU 1, uitschakeling van compressor en elektrische bijverwarming
- 9.8.5 EVU 2, alleen uitschakeling van de compressor
- 9.8.6 EVU 3, alleen uitschakeling elektrische bijverwarming
- 9.8.7 Smart Grid
- 9.8.8 Fotovoltaica
- 10 Buiten-en binnenunit ontluchten
- 11 Onderdelen in de binnenunit vervangen
- 12 Functietest
- 13 Milieubescherming
- 14 Inspectie
- 15 Aansluitmogelijkheid voor IP-module

23
IDU Monoblock 5-17 T/TS • 6 720 817 794 (2015/08)
Installatie 7
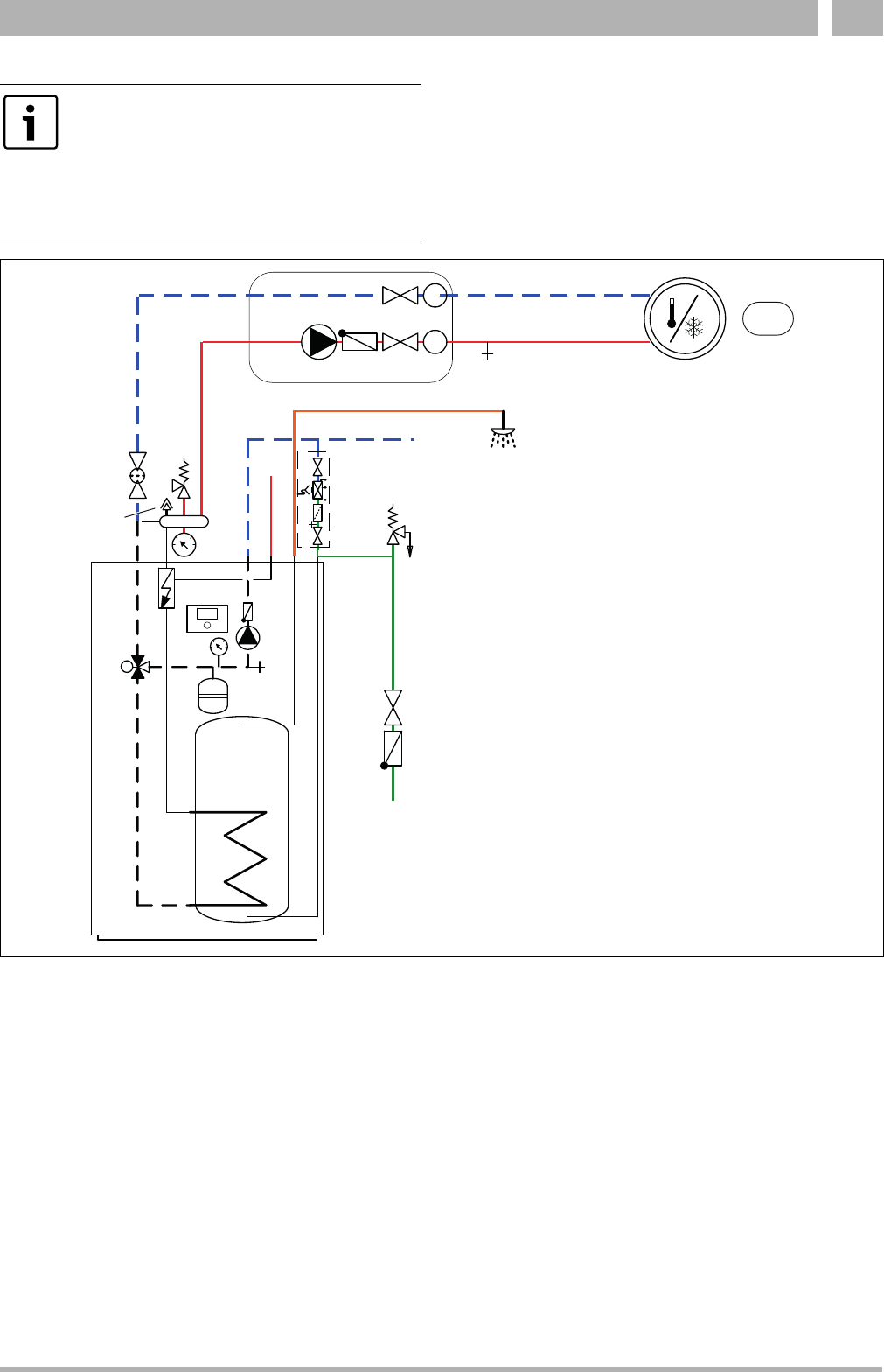
7.19 Buiten-en binnenunit vullen
Afb. 19 Binnenunit en cv-installatie
1. De stroomvoorziening van de buiten-en de binnenunit is uitgescha-
keld. De voedingsspanning mag pas voor de inbedrijfstelling worden
ingeschakeld nadat de installatie volledig gevuld en ontlucht is.
2. Automatische ontluchting via VL1 activeren. Daarvoor de sluitkap
met enkele omwentelingen losdraaien, zonder hem er volledig uit te
draaien.
3. Ventielen naar de cv-installatie; deeltjesfilter SC1 en VC1 sluiten.
4. Een slang op de aftapkraan aansluiten, het andere uiteinde naar een
afvoer leiden. Aftapkraan VA0 openen.
5. Koudwaterventiel VW3 en vulventiel VW2 openen en water in de naar
de buitenunit leidende leiding vullen.
6. Vulprocedure voortzetten totdat uit de slang in de afvoer water komt
en de buitenunit geen luchtbellen meer bevat.
7. Aftapkraan en vulventiel VW2 sluiten.
8. Slang aan de aftapkraan voor cv-installatie VC2 omzetten.
9. Deeltjesfilter SC1, aftapkraan VC2 en vulventiel VW2 openen en cv-
installatie vullen.
10.Vulprocedure voortzetten totdat uit de slang in de afvoer water komt
en de cv-installatie geen luchtbellen meer bevat.
11.Aftapkraan VC2 sluiten.
12.Vulventiel van de cv-installatie VW2 openen en vullen, totdat de ma-
nometer GC1 2 bar weergeeft.
13.Druk via de manometer GC1 controleren, de ingestelde voordruk van
het stikstofkussen in het expansievat daarbij in de gaten houden. CV-
water indien nodig door het vulventiel VW2 bijvullen. De gewenste
druk van de installatie dient ca. 0,3 – 0,7 bar boven de voordruk van
het stikstofkussen in het expansievat te worden gehouden.
14.Vulventiel VW2 sluiten.
15.Slang van VC2 verwijderen.
16.Hoofdstuk 10.
Na het vullen de installatie grondig ontluchten.
▶ Vul de installatie conform deze handleiding.
▶ Voer de elektrische aansluitingen van de installatie
uit conform hoofdstuk 8.
▶ Neem de installatie in bedrijf conform installatie-in-
structies van de bedieningseenheid HMC300.
▶ Ontlucht de installatie conform hoofdstuk 10.
T
T
6 720 809 156-22.3I
Z1
SC1
GC1
VA0
VL1
VC1
VW3
VW2
VC2
PC1
PC0
VW1










