Installation Instructions
Table Of Contents
- Inhoudsopgave
- 1 Toelichting bij de symbolen en veiligheidsaanwijzingen
- 1.1 Uitleg van de symbolen
- 1.2 Algemene veiligheidsinstructies
- 2 Leveringsomvang
- 3 Algemeen
- 4 Technische instructies
- 5 Afmetingen, minimale afstanden en leidingaansluitingen
- 6 Voorschriften
- 7 Installatie
- 7.1 Voorbereidende leidingaansluitingen
- 7.2 Opstellen
- 7.3 Waterkwaliteit
- 7.4 CV-installatie spoelen
- 7.5 Checklist
- 7.6 Bedrijf zonder buitenunit (standalone-bedrijf)
- 7.7 Installatie met koelbedrijf
- 7.8 Installatie met warmwaterbereiding via zonne-energie (alleen zonne-energiemodellen)
- 7.9 Installatie met zwembad
- 7.10 Installatie met buffervat
- 7.11 Binnenunit op de cv-installatie en warmwater
- 7.12 Hoogrendementspomp (PC0)
- 7.13 Circulatiepomp voor cv-installatie (PC1)
- 7.14 Circulatiepomp PW2 (accessoire)
- 7.15 Isolatie
- 7.16 Meerder cv-circuits (accessoire mengermodule, zie afzonderlijke handleiding)
- 7.17 Dauwpuntsensoren (accessoire voor koelbedrijf) monteren
- 7.18 Kamerthermostaat monteren
- 7.19 Buiten-en binnenunit vullen
- 8 Elektrische aansluiting - algemeen
- 9 Elektrische aansluiting - buitenunit
- 9.1 Klemaansluitingen in de sturing, elektrische bijverwarming met 9 kW 3N~, fabrieksuitvoering
- 9.2 Klemaansluitingen in de sturing, elektrische bijverwarming met 9 kW 1N~, zie volgorde van de jumpers
- 9.3 Aansluitschema voor elektrische bijverwarming met 9 kW 3N~, fabrieksuitvoering
- 9.4 Aansluitschema voor elektrische bijverwarming met 9 kW 1N~
- 9.5 Aansluitschema voor elektrische bijverwarming met 9 kW 3N~
- 9.6 Elektrisch schema installatieprintplaat HC100
- 9.7 Aansluitschema buitenunit/binnenunit
- 9.8 Elektrische aansluiting energieleverancier
- 9.8.1 Klemaansluitingen in de sturing, elektrische bijverwarming met 9 kW 3N~, energieleverancier, zie volgorde van de jumpers
- 9.8.2 Klemaansluitingen in de sturing, elektrische bijverwarming met 9 kW 1N~, energieleverancier, zie volgorde van de jumpers
- 9.8.3 Aansluitschema voor EVU/SG
- 9.8.4 EVU 1, uitschakeling van compressor en elektrische bijverwarming
- 9.8.5 EVU 2, alleen uitschakeling van de compressor
- 9.8.6 EVU 3, alleen uitschakeling elektrische bijverwarming
- 9.8.7 Smart Grid
- 9.8.8 Fotovoltaica
- 10 Buiten-en binnenunit ontluchten
- 11 Onderdelen in de binnenunit vervangen
- 12 Functietest
- 13 Milieubescherming
- 14 Inspectie
- 15 Aansluitmogelijkheid voor IP-module

27
IDU Monoblock 5-17 T/TS • 6 720 817 794 (2015/08)
Elektrische aansluiting - algemeen 8
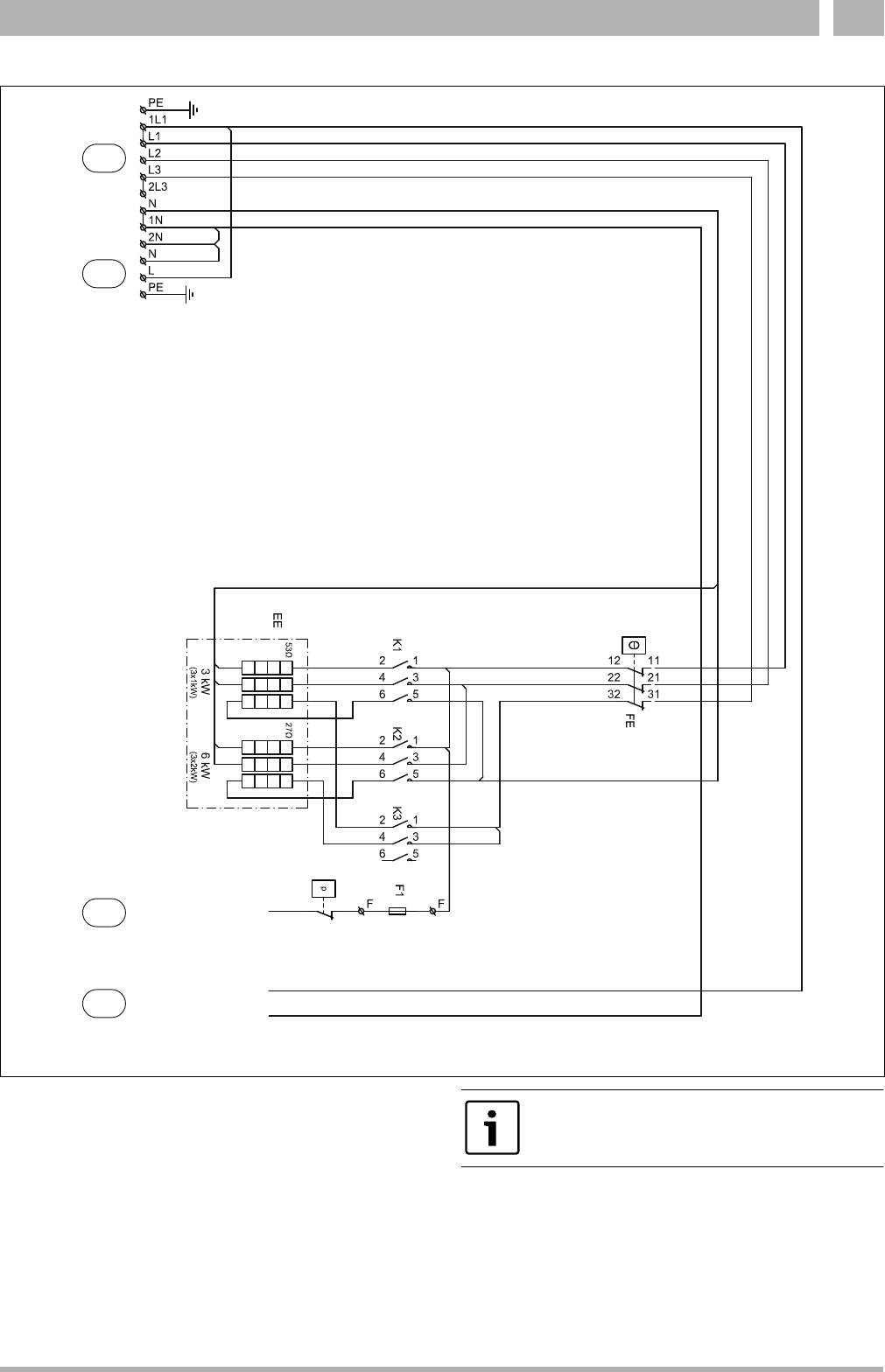
8.8 Voeding voor buiten-en binnenunit 9 kW 3N~
Afb. 25 Voeding voor buiten-en binnenunit 9 kW
[1] Netspanning 400 V 3N~
[2] Bedieningseenheid HMC300
[3] Alarmuitgang elektrische bijverwarming
[4] CU-HP-installatieprintplaat HC100
[EE] Elektrische bijverwarming
[FE] Oververhittingsschakelaar voor de elektrische bijverwarming
[F1] Zekering op aansluitklem
[P] Drukbewaking
[K1] Schakelaar bijverwarmingstrap 1
[K2] Schakelaar bijverwarmingstrap 2
[K3] Schakelaar bijverwarmingstrap 3
• Elektrische bijverwarming bij compressorbedrijf: 2-4-6 kW (K3 ge-
blokkeerd)
• Alleen elektrische bijverwarming, compressor uit: 2-4-6-9 kW
6 720 809 156-36.2I
1
2
3
4
Aansluiting op: L1-L2-L3-1N-PE.
Doorlussen warmtepomp: 2L3-2N-PE.
Bedieningseenheid HMC300: L-N-PE










