Installation Instructions
Table Of Contents
- Inhoudsopgave
- 1 Toelichting bij de symbolen en veiligheidsaanwijzingen
- 1.1 Uitleg van de symbolen
- 1.2 Algemene veiligheidsinstructies
- 2 Leveringsomvang
- 3 Algemeen
- 4 Technische instructies
- 5 Afmetingen, minimale afstanden en leidingaansluitingen
- 6 Voorschriften
- 7 Installatie
- 7.1 Voorbereidende leidingaansluitingen
- 7.2 Opstellen
- 7.3 Waterkwaliteit
- 7.4 CV-installatie spoelen
- 7.5 Checklist
- 7.6 Bedrijf zonder buitenunit (standalone-bedrijf)
- 7.7 Installatie met koelbedrijf
- 7.8 Installatie met warmwaterbereiding via zonne-energie (alleen zonne-energiemodellen)
- 7.9 Installatie met zwembad
- 7.10 Installatie met buffervat
- 7.11 Binnenunit op de cv-installatie en warmwater
- 7.12 Hoogrendementspomp (PC0)
- 7.13 Circulatiepomp voor cv-installatie (PC1)
- 7.14 Circulatiepomp PW2 (accessoire)
- 7.15 Isolatie
- 7.16 Meerder cv-circuits (accessoire mengermodule, zie afzonderlijke handleiding)
- 7.17 Dauwpuntsensoren (accessoire voor koelbedrijf) monteren
- 7.18 Kamerthermostaat monteren
- 7.19 Buiten-en binnenunit vullen
- 8 Elektrische aansluiting - algemeen
- 9 Elektrische aansluiting - buitenunit
- 9.1 Klemaansluitingen in de sturing, elektrische bijverwarming met 9 kW 3N~, fabrieksuitvoering
- 9.2 Klemaansluitingen in de sturing, elektrische bijverwarming met 9 kW 1N~, zie volgorde van de jumpers
- 9.3 Aansluitschema voor elektrische bijverwarming met 9 kW 3N~, fabrieksuitvoering
- 9.4 Aansluitschema voor elektrische bijverwarming met 9 kW 1N~
- 9.5 Aansluitschema voor elektrische bijverwarming met 9 kW 3N~
- 9.6 Elektrisch schema installatieprintplaat HC100
- 9.7 Aansluitschema buitenunit/binnenunit
- 9.8 Elektrische aansluiting energieleverancier
- 9.8.1 Klemaansluitingen in de sturing, elektrische bijverwarming met 9 kW 3N~, energieleverancier, zie volgorde van de jumpers
- 9.8.2 Klemaansluitingen in de sturing, elektrische bijverwarming met 9 kW 1N~, energieleverancier, zie volgorde van de jumpers
- 9.8.3 Aansluitschema voor EVU/SG
- 9.8.4 EVU 1, uitschakeling van compressor en elektrische bijverwarming
- 9.8.5 EVU 2, alleen uitschakeling van de compressor
- 9.8.6 EVU 3, alleen uitschakeling elektrische bijverwarming
- 9.8.7 Smart Grid
- 9.8.8 Fotovoltaica
- 10 Buiten-en binnenunit ontluchten
- 11 Onderdelen in de binnenunit vervangen
- 12 Functietest
- 13 Milieubescherming
- 14 Inspectie
- 15 Aansluitmogelijkheid voor IP-module

36
IDU Monoblock 5-17 T/TS • 6 720 817 794 (2015/08)
Elektrische aansluiting - buitenunit9
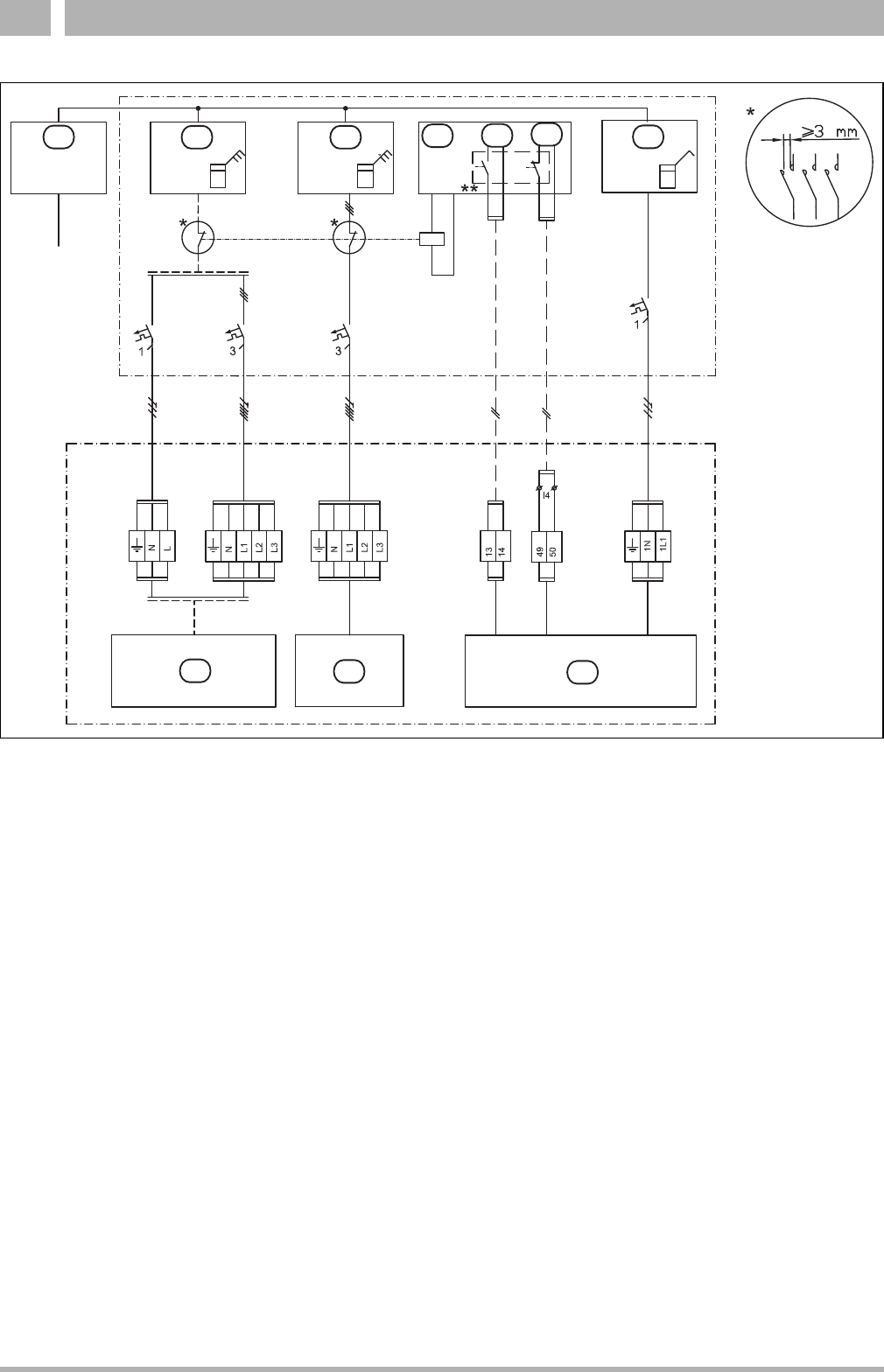
9.8.4 EVU 1, uitschakeling van compressor en elektrische bijverwarming
Afb. 38 Energieleverancier type 1
[1] Stroomvoorziening
[2] Stroommeter buitenunit, laag tarief
[3] Stroommeter binnenunit, laag tarief
[4] Tariefcontrole
[5] Tariefregeling, energieleverancier
[6] Tariefregeling, SG
[7] Stroommeter, gebouw 1-fase
[8] Buitenunit (compressor)
[9] Elektrische bijverwarming
[10] Bedieningseenheid HMC300 en installatieprintplaat HC100
* Het relais moet voor het vermogen van de buitenunit en de elektrische
bijverwarming worden gedimensioneerd. Het relais moet door de instal-
lateur of het energiebedrijf worden geleverd. De externe ingang op de in-
stallatieprintplaat HC100 (klemmen 13/14) hebben een potentiaalvrij
signaal nodig. De schakeltoestand voor het activeren van de energiele-
verancier- of SmartGrid-functie (gesloten of open) kan in de regeling
worden ingesteld. Tijdens de blokkeertijd wordt in het display het blok-
keertijdsymbool getoond.
** Het schakelcontact van het relais dat op de aansluitingen 13, 14 en
49, 50 van de installatieprintplaat HC100 wordt aangesloten, moet voor
5 V en 1 mA zijn gedimensioneerd.
6 720 810 940-08.2I
1
2
3
4
5
6
7
89
10










