Operation Manual

41Traduction du manuel d’origine
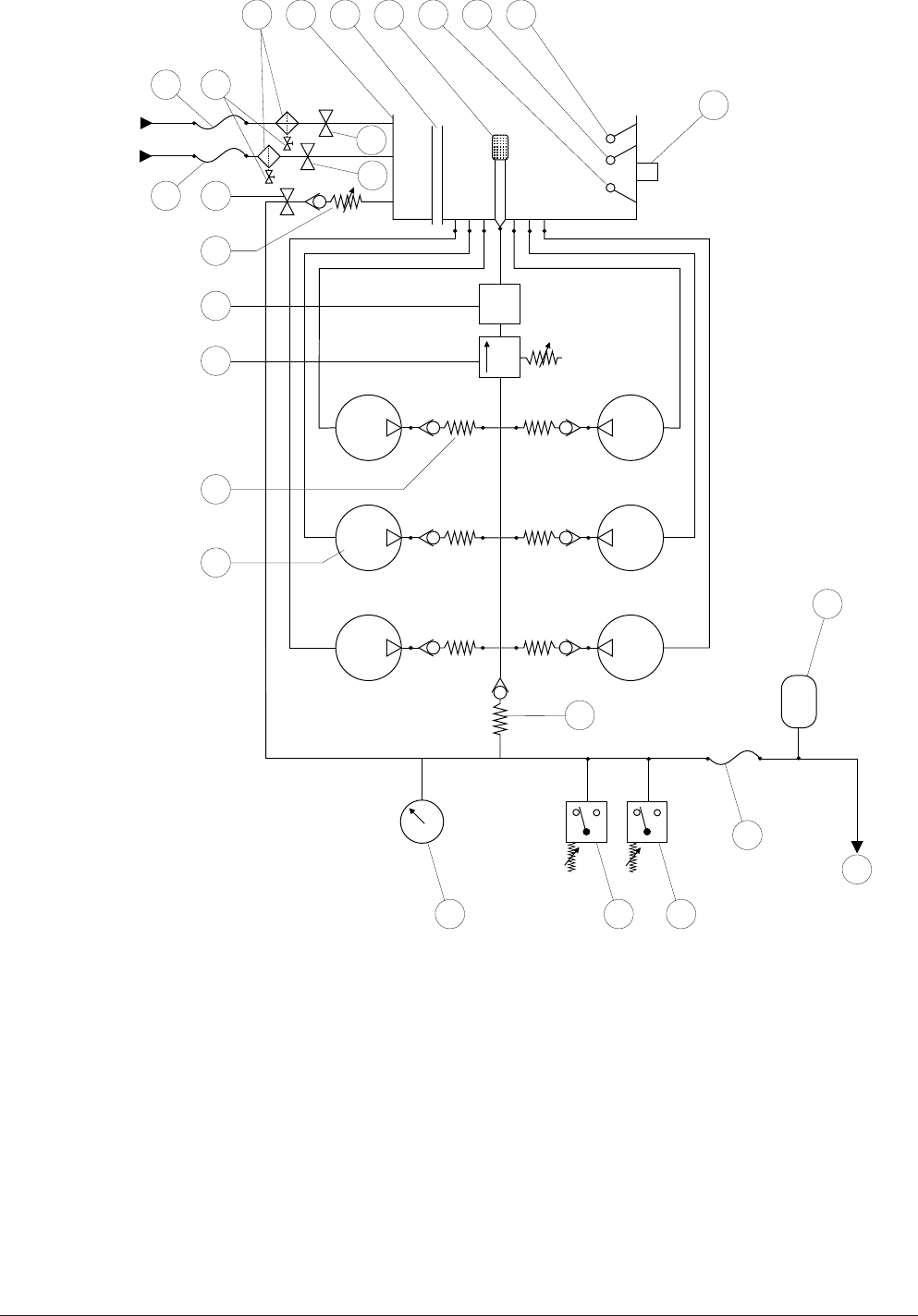
3.3 Schéma fonctionnel
FLOW
SWITCH
1 2 3 14 4 5 6
13
25
19
23
24
12
20
15
17
7
8
9
22
21
18
10 11
16
15
1. Filtre d’eau
2. Réservoir d’eau
3. Conduite de surplus d’eau
4. Détecteur de niveau (manque d’eau)
5. Détecteur de niveau (début de rem plis -
sa ge d’eau)
6. Détecteur de niveau (fi n de remplissage
d’eau)
7. Clapet anti-retour pour décharge
8. Commutateur de débit (retour vers ré ser-
voir)
9. Soupape de surpression
10. Pressostat (basse pression)
11. Pressostat (haute pression)
12. Vanne magnétique pour décharge
13. Manomètre
14. Filtre, retour
15. Clapet anti-retour
16. Accumulateur
17. Bloc moteur pompe
18. Flexible haute pression, sortie de machine
19. Détecteur thermique
20. Vanne de purge pour nettoyage du fi ltre
21. Arrivée d’eau chaude
22. Arrivée d’eau froide
23. Vanne magnétique, eau chaude
24. Vanne magnétique, eau froide
25. Canalisation, haute pression










