Carpet Cleaner User Manual

9097058000(2)2009-10 A SCRUBTEC 653B – 653BL – 651BCL – 661BL 11
MANUEL OPERATEUR
FRANÇAIS
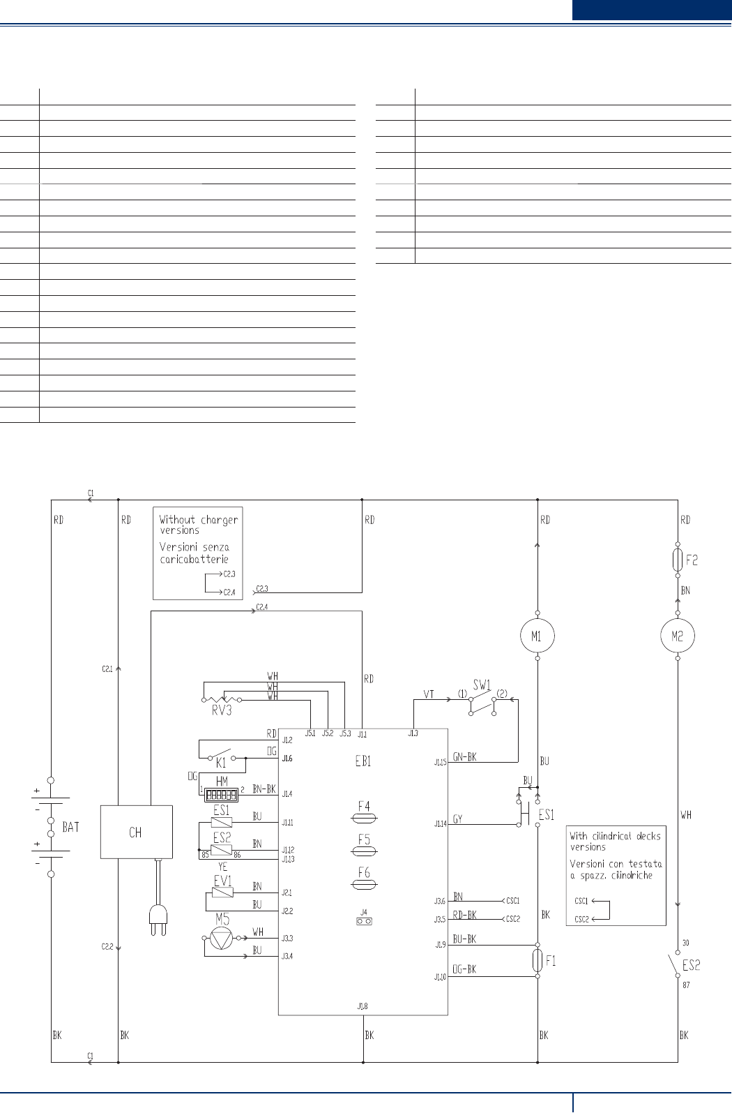
SCHEMA ELECTRIQUE (SCRUBTEC 653B)
Légende
BAT Batterie 24 V
C1 Connecteur batteries
C2 Connecteur chargeur de batterie
CH Chargeur de batterie (optionnel)
CS Connecteur tête
EB1 Carte électronique de fonctions
ES1 Télérupteurs moteurs brosses
ES2 Relais système d’aspiration
EV1 Electrovanne eau
F1 Fusible tête
F2 Fusible système d’aspiration
F4 Fusible circuits de signaux
F5 Fusible déclenchement brosses
F6 Fusible pompes
HM Compteur horaire (optionnel)
K1 Clé de contact
M1 Moteur brosse / plateau support disque
M2 Moteur système d’aspiration
M5 Pompe détergent (optionnelle)
RV3 Potentiomètre % détergent (optionnel)
SW1 Boutons-poussoirs de validation brosses / traction
Codes des couleurs
BK Noir
BU Bleu
BN Marron
GN Vert
GY Gris
OG Orange
PK Rose
RD Rouge
VT Violet
WH Blanc
YE Jaune
P100127










