User's Manual

Test Equipment Set–up – continued
PRELIMINARY
1X SCt4812ET Lite BTS Optimization/ATP
08/01/2001
3-54
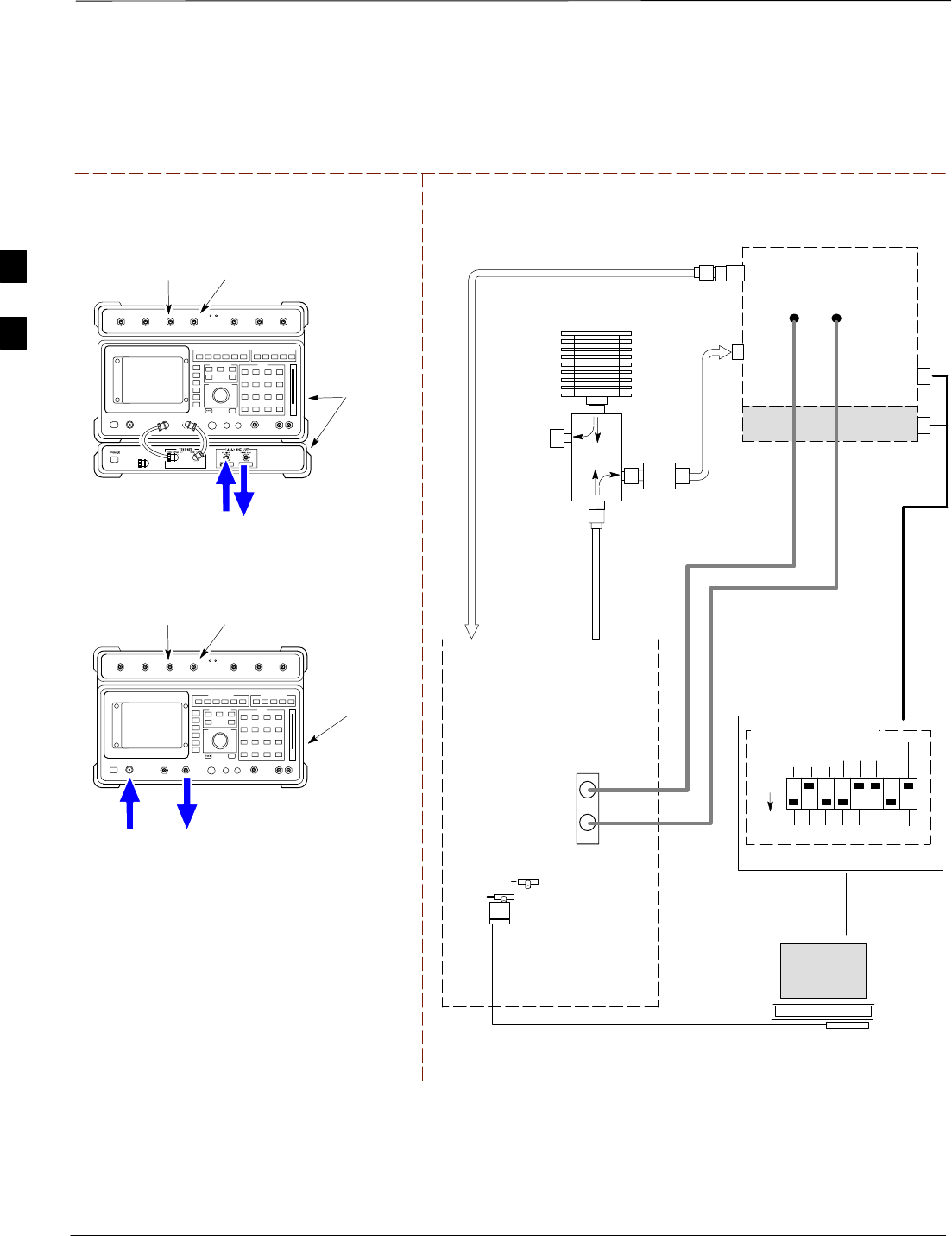
RF OUT
ONLY
Hewlett–Packard Model HP 8921A W/PCS Interface
(for 1700 and 1900 MHz)
HP PCS
INTERFACE*
GPIB
CONNECTS
TO BACK OF
UNITS
SYNC MONITOR
EVEN SEC TICK
PULSE REFERENCE
FROM CSM BOARD
FREQ MONITOR
19.6608 MHZ CLOCK
REFERENCE FROM
CSM BOARD
TEST SETS Optimization/ATP SET UP
RX ANTENNA
PORT OR RFDS
RX ANTENNA
DIRECTIONAL
COUPLER
TX ANTENNA
PORT OR RFDS
RX ANTENNA
DIRECTIONAL
COUPLER
RS232–GPIB
INTERFACE BOX
INTERNAL PCMCIA
ETHERNET CARD
GPIB
CABLE
UNIVERSAL TWISTED
PAIR (UTP) CABLE
(RJ45 CONNECTORS)
RS232 NULL
MODEM
CABLE
S MODE
DATA FORMAT
BAUD RATE
GPIB ADRS G MODE
ON
BTS
TX
TEST
CABLE
CDMA
LMF
DIPSWITCH SETTINGS*
10BASET/
10BASE2
CONVERTER
LAN
B
LAN
A
RX
TEST
CABLE
COMMUNICATIONS
TEST SET
IEEE 488
GPIB BUS
IN
TEST SET
INPUT/
OUTPUT
PORTS
OUT
100–WATT (MIN)
NON–RADIATING
RF LOAD
2O DB
IN–LINE
ATTENUATOR
EVEN
SECOND/SYNC
IN (BNC “T”
WITH 50 OHM
TERMINATOR)
CDMA
TIMEBASE
IN
FREQ
MONITOR
SYNC
MONITOR
CSM
RF
IN/OUT
Figure 3-18: Optimization/ATP Test Setup HP 8921A
REF FW00097
GPIB
CONNECTS
TO BACK OF
UNIT
SYNC MONITOR
EVEN SEC TICK
PULSE REFERENCE
FROM CSM BOARD
FREQ MONITOR
19.6608 MHZ CLOCK
REFERENCE FROM
CSM BOARD
Hewlett–Packard Model HP 8921A
(for 800 MHz)
* FOR 1700 AND
1900 MHZ ONLY
DIRECTIONAL
COUPLER
(30 DB)
RF
IN/OUT
RF OUT
ONLY
* BLACK PORTION OF THE
DIAGRAM REPRESENTS THE
RAISED PART OF THE
SWITCH
50 Ω
ΤERM.
NOTE: IF BTS RX/TX SIGNALS ARE
DUPLEXED, BOTH THE TX AND RX TEST
CABLES CONNECT TO THE DUPLEXED
ANTENNA GROUP AND USE THE 30 DB
DIRECTIONAL COUPLER AND 20 DB IN–LINE
ATTENUATOR.
3










