Printer User Manual

– 54 –
Note:
1) Peripheral units 1 and 2 cannot be driven simultaneously.
2) To drive them continuously, set the duty cycle ratio to 20% or less (except when a
peripheral buzzer is connected).
3) Never use the peripheral buzzer drive command if a device other than a peripheral
buzzer is connected (i.e., cash drawer, etc.). Doing so can damage the connected device
and this circuit.
4) The status of the compulsion switch can be known from the status command. Refer
to the separate Programmer's Technical Reference manual for details.
5) Minimum resistance for coils L1 and L2 is 24
W
.
6) Absolute maximum ratings for diodes D1 and D2 (Ta = 77°F/25°C) are:
Average Rectied Current I
o
= 1A
7) Absolute maximum rating for transistors TR1 and TR2 (Ta = 77°F/25°C) are:
Collector current I
C
= 2.0 A
Drive Output: 24 V, Max. 1.0 A
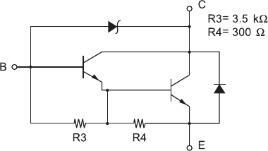
TR1, TR2: Transistor 2SD 1866 or equivalent
R1=10 kW
R2=33 kW
Reference
2SD 1866 Circuit Conguration