Microscope Component Guide

INTERMEDIATE TUBES & ACCESSORIES
32
Weight: 1kg
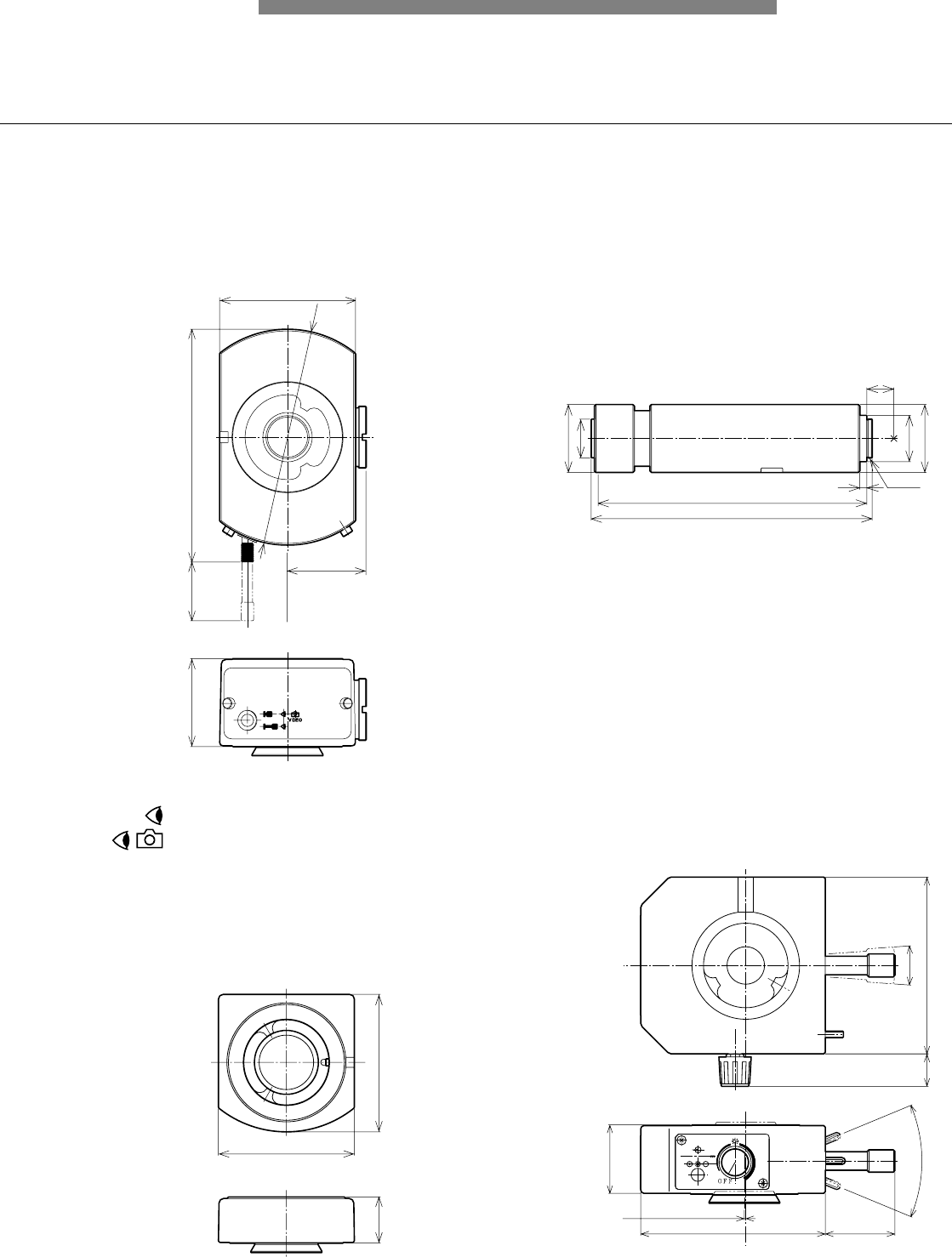
U-DP
Dual port
Use this intermediate tube to divide the light path.
Weight: 500g
U-DP1xC
Dual port 1x
Combine with U-DP to obtain a 1x image.
Weight: approximately 500g
U-EPA2
Eyepoint adjuster
Raises eyepoint by 30mm.
Weight: 1.2kg
U-APT
Arrow pointer
Projects an arrow into the field of view.
Unit: mm
88
38
51(mount face)
151
57
ø140
1-32UN
17.53
4.5
170.5(mount face)
182
ø44
ø25
ø44
ø30
0.92
(tolerence from light axis)
120
(45°)
45.3
15V0.2A
21.2 115
(8°)
45
89
30
88
Transmitted side port: side port = 100:0
Transmitted side port: side port = 70:30 (with use of U-MBF3)
Light path selector by mirror unit










