Microscope Component Guide

5
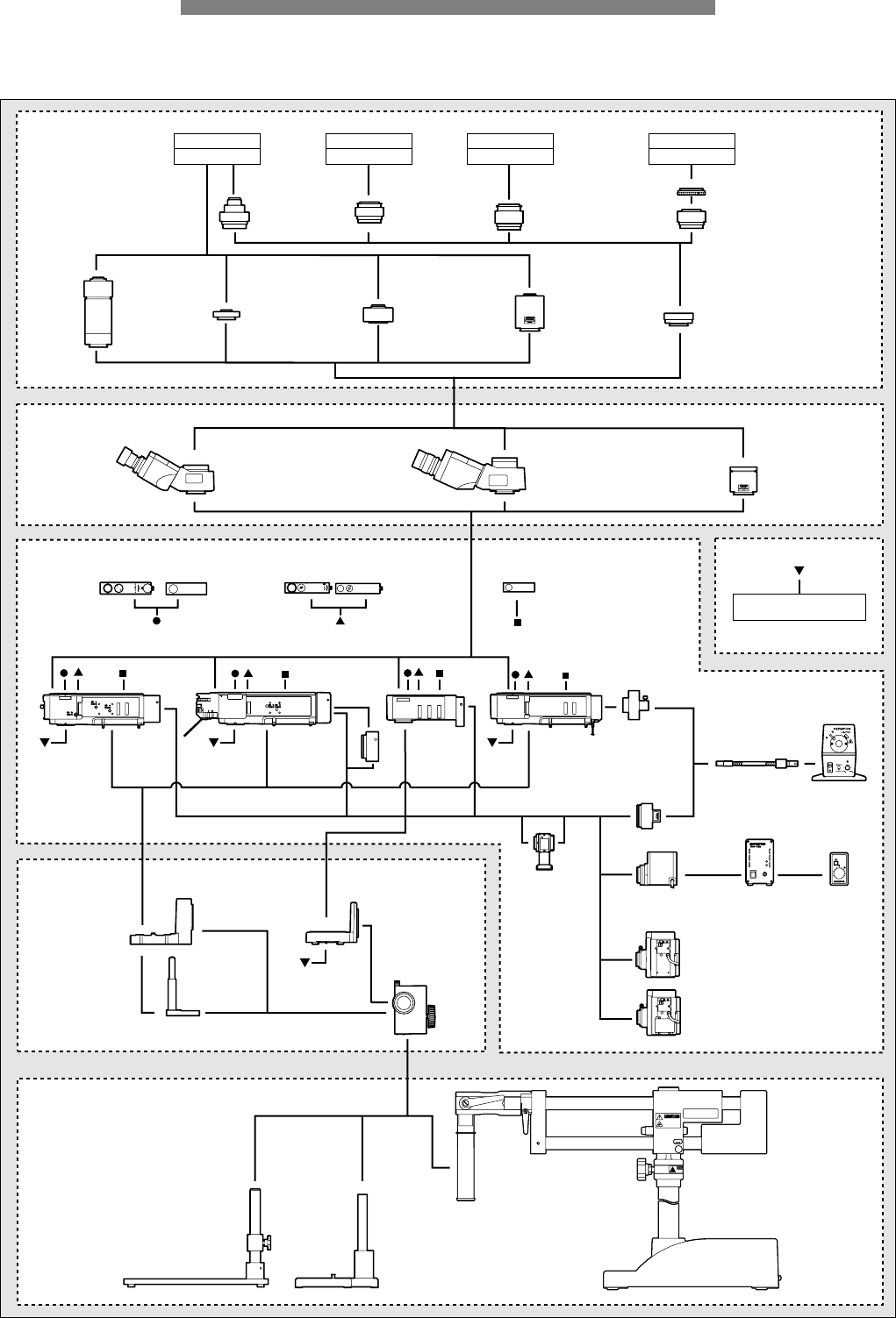
SYSTEM DIAGRAM
5
6
SHUTTERSHUTTER
5
6
SHUTTER
U-AN
U-AN360-3
U-AN360IR
LG-SF
LG-PS2
U-LH100HGAPO
U-LH100HG
U-LH75XEAPO
U-LH100-3
U-LH100L-3
U-LH100IR
Super widefield trinocular
observation tubes
Widefield trinocular
observation tubes
U-TLU
U-TLUIR
U-25ND6, U-25ND25,
U-25LBD, U-25IF550,
U-25L42, U-25FR,
U-BP1100IR, U-BP1200IR
U-PO3
U-POIR
SZ2-STU2
U-LGAD
TH4-100 TH4-HS
U-STSZ-STL
BXFM-ILH
BXFM-ILHS
BXFM-F
BXFM-ILHSPU
WHN
Eyepieces
SWH
Eyepieces
BX-RLA2
ND
FS
AS
BX-URA2
U-RCV
U-KMAS
SZX-TLGAD
U-DULHA
BX-KMA/
BX-KMA-ESD
U-POTP3
FS
AS
U-TV0.25xC U-TV0.35xC-2 U-TV0.5xC-3 U-TV0.63xC
U-TMAD
U-BMAD U-SMAD
U-FMT
U-CMAD3
Video camera
C-mount
Video camera
S mount 2/3"
Video camera
F mount
Video camera
B mount 2/3"
U-TV1x-2
Revolving nosepiece
(Refer to pages 34-35)
Refer to pages 19-21
Refer to page 22
Refer to pages 23-28
Refer to pages 29-30
Illumination systems and power supply
Focusing units
Stands
Refer to pages 36-37
Video system
Observation/single tubes
and eyepieces
BXFM SYSTEM DIAGRAM
*Different types may be offered in each area.










