Data Sheet
© 2011 Fairchild Semiconductor Corporation www.fairchildsemi.com
FDMF6823A • Rev. 1.0.3 15
FDMF6823A — Extra-Small, High-Performance, High-Frequency DrMOS Module
Application Information
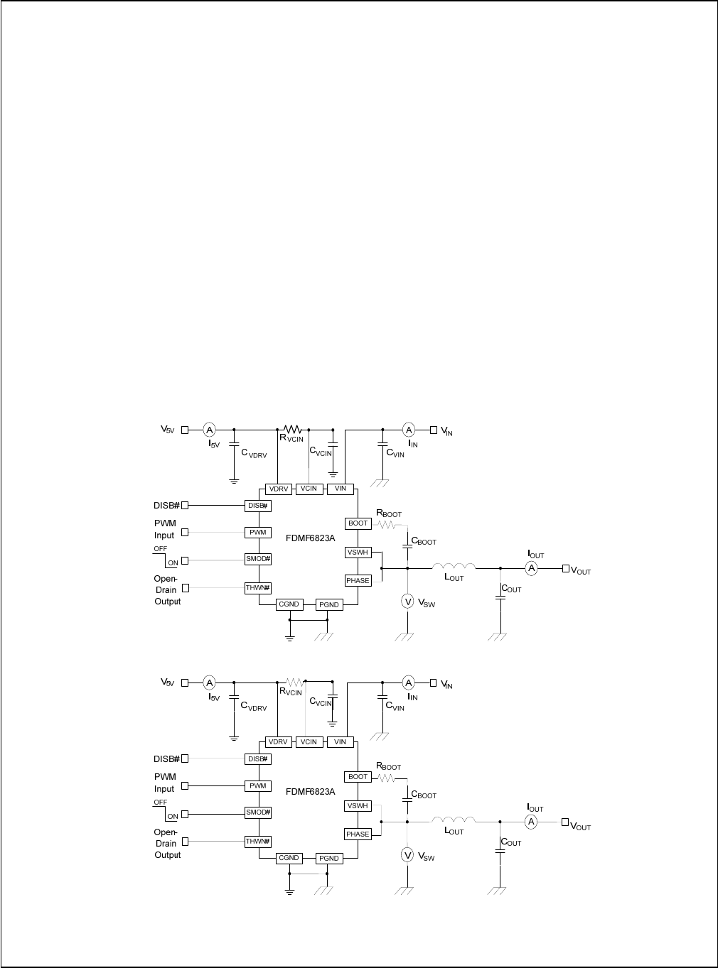
Supply Capacitor Selection
For the supply inputs (V
CIN
), a local ceramic bypass
capacitor is recommended to reduce noise and to
supply the peak current. Use at least a 1 µF X7R or X5R
capacitor. Keep this capacitor close to the VCIN pin and
connect it to the GND plane with vias.
Bootstrap Circuit
The bootstrap circuit uses a charge storage capacitor
(C
BOOT
), as shown in Figure 30. A bootstrap capacitance
of 100 nF X7R or X5R capacitor is usually adequate. A
series bootstrap resistor may be needed for specific
applications to improve switching noise immunity. The
boot resistor may be required when operating above
15 V
IN
and is effective at controlling the high-side
MOSFET turn-on slew rate and V
SHW
overshoot. R
BOOT
values from 0.5 to 3.0 Ω are typically effective in
reducing VSWH overshoot.
VCIN Filter
The VDRV pin provides power to the gate drive of the
high-side and low-side power MOSFET. In most cases,
it can be connected directly to VCIN, the pin that
provides power to the logic section of the driver. For
additional noise immunity, an RC filter can be inserted
between the VDRV and VCIN pins. Recommended
values would be 10 Ω and 1 µF.
Power Loss and Efficiency
Measurement and Calculation
Refer to Figure 30 for power loss testing method.
Power loss calculations are:
P
IN
=(V
IN
x I
IN
) + (V
5V
x I
5V
) (W) (1)
P
SW
=V
SW
x I
OUT
(W) (2)
P
OUT
=V
OUT
x I
OUT
(W) (3)
P
LOSS_MODULE
=P
IN
- P
SW
(W) (4)
P
LOSS_BOARD
=P
IN
- P
OUT
(W) (5)
EFF
MODULE
=100 x P
SW
/P
IN
(%) (6)
EFF
BOARD
=100 x P
OUT
/P
IN
(%) (7)
Figure 29. Block Diagram With V
CIN
Filter
Figure 30. Power Loss Measurement
