Data Sheet
© 2000 Fairchild Semiconductor Corporation www.fairchildsemi.com
NC7WZ07 • Rev. 1.0.7 6
NC7WZ07 — TinyLogic
®
UHS Dual Buffer (Open-Drain Outputs)
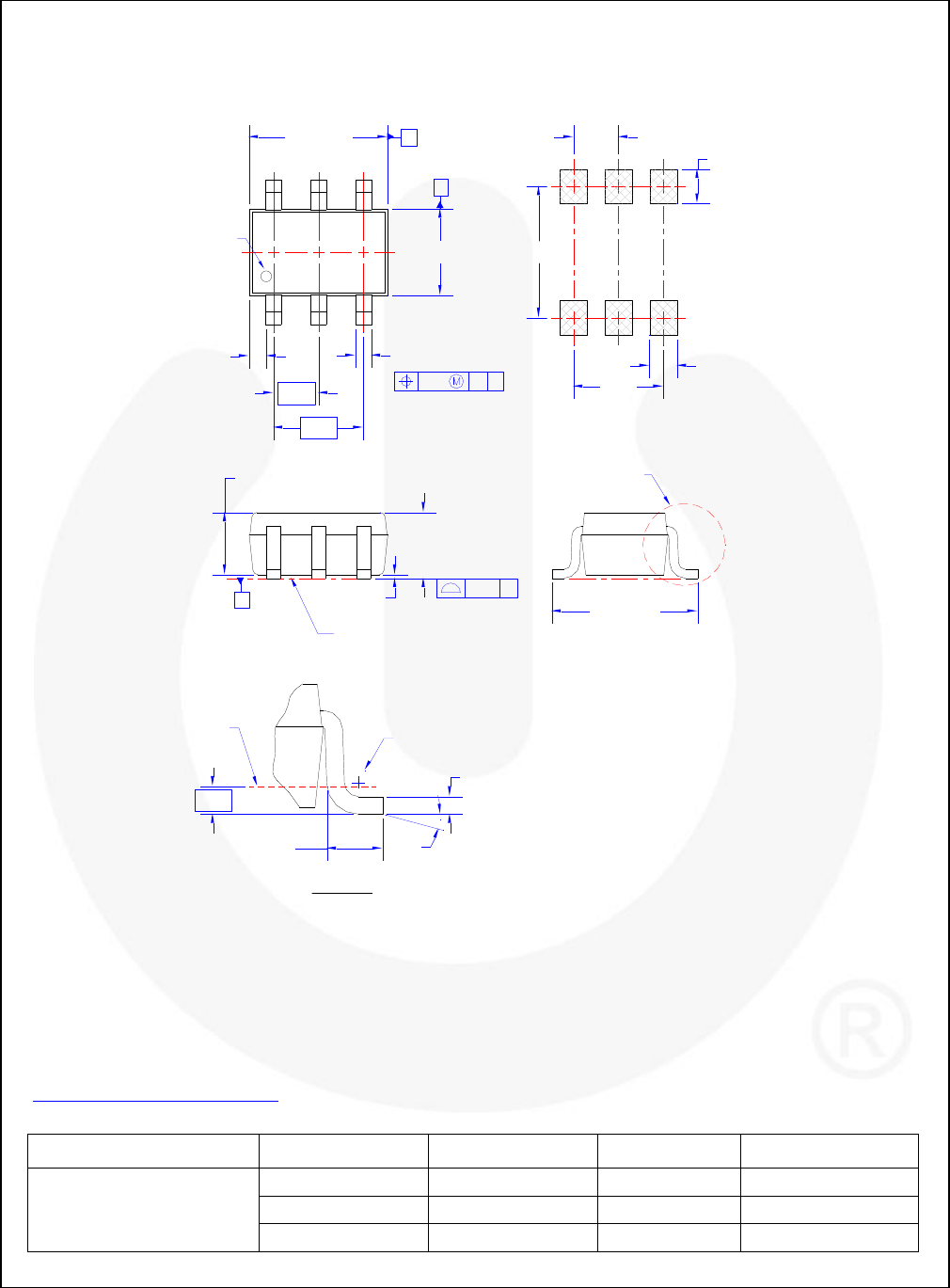
Physical Dimensions
DETAIL A
SCALE: 60X
B
1.90
2.00
±0.20
0.50 MIN
1.00
0.80
1.10
0.80
0.10
C
0.25
0.10
0.46
0.26
0.20
GAGE
PLANE
(R0.10)
30°
0°
SEATING
PLANE
C
0.10
0.00
NOTES: UNLESS OTHERWISE SPECIFIED
A) THIS PACKAGE CONFORMS TO EIAJ
SC-88, 1996.
B) ALL DIMENSIONS ARE IN MILLIMETERS.
C) DIMENSIONS DO NOT INCLUDE BURRS
OR MOLD FLASH.
D) DRAWING FILENAME: MKT-MAA06AREV6
2.10±0.30
0.10 A B
0.65
1.30
(0.25)
0.30
0.15
1
1.25
±0.10
3
1.30
0.40 MIN
SEE DETAIL A
LAND PATTERN RECOMMENDATION
6
A
4
C
0.65
L
SYMM
PIN ONE
Figure 8. 6-Lead, SC70, EIAJ SC88, 1.25 mm Wide
Package drawings are provided as a service to customers considering Fairchild components. Drawings may change in any manner
without notice. Please note the revision and/or date on the drawing and contact a Fairchild Semiconductor representative to verify or
obtain the most recent revision. Package specifications do not expand the terms of Fairchild’s worldwide terms and conditions, specifically the
warranty therein, which covers Fairchild products.
Always visit Fairchild Semiconductor’s online packaging area for the most recent package drawings:
http://www.fairchildsemi.com/packaging/.
Package Designator
Tape Section
Cavity Number
Cavity Status
Cover Type Status
P6X
Leader (Start End)
125 (Typical)
Empty
Sealed
Carrier
3000
Filled
Sealed
Trailer (Hub End)
75 (Typical)
Empty
Sealed
