Operator and Technical Reference Manual Thermal Transfer Printer PTR3E

LOADING LABELS
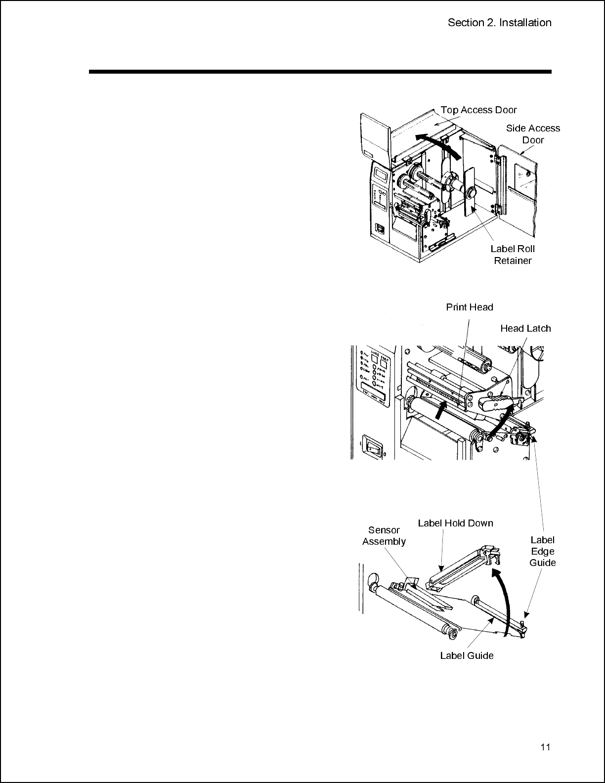
Follow these steps to properly load labels into
the PTR3E:
1. Open the Top Access Door by
swinging it up and to the left. Open
the Side Access Door by
swinging it to the rear of the
printer.
2. Open the Print Head Assembly
by pushing the Head Latch
toward the rear of the printer. The
Print Head Assembly is
spring-loaded and will
automatically open as soon as the
Head Latch is disengaged.
3. Loosen the Label Edge Guide
and push it to the outside of the
printer to give the maximum label
width.
4. Remove the Label Roll
Retainer.










