User's Manual
Manuals
Brands
Paradyne Manuals
Computer Drive
Paradyne DATA SERVICE UNIT 3611
101
102
103
104
105
106
107
108
109
110
Table Of Contents
Table of Contents
List of Figures
List of Tables
Preface
Overview
Model 3610 Installation
Model 3611 Installation
Principles of Operation
DSU Operations
Data Service Unit Menu
Configuration Worksheets
Pin Assignments
Configuration Scenarios
Index
Principles of Operation
4-57
3610-A2-GB41-60
March 1999
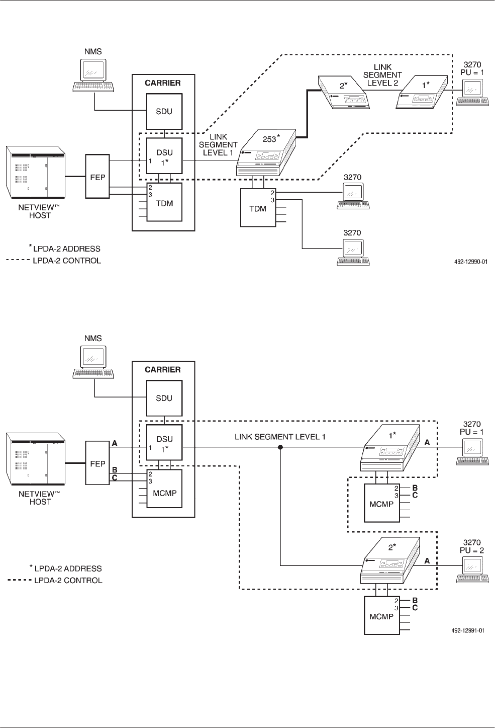
Figure 4-44.
Multiplexing with TDM (LPDA-2 Monitoring)
Figure 4-45.
Multiplexing with MCMP (LPDA-2 Monitoring)
1
...
...
107
108
109
110
111
...
...
238