User's Manual
Manuals
Brands
Paradyne Manuals
Computer Drive
Paradyne DATA SERVICE UNIT 3611
111
112
113
114
115
116
117
118
119
120
Table Of Contents
Table of Contents
List of Figures
List of Tables
Preface
Overview
Model 3610 Installation
Model 3611 Installation
Principles of Operation
DSU Operations
Data Service Unit Menu
Configuration Worksheets
Pin Assignments
Configuration Scenarios
Index
Principles of Operation
4-61
3610-A2-GB41-60
March 1999
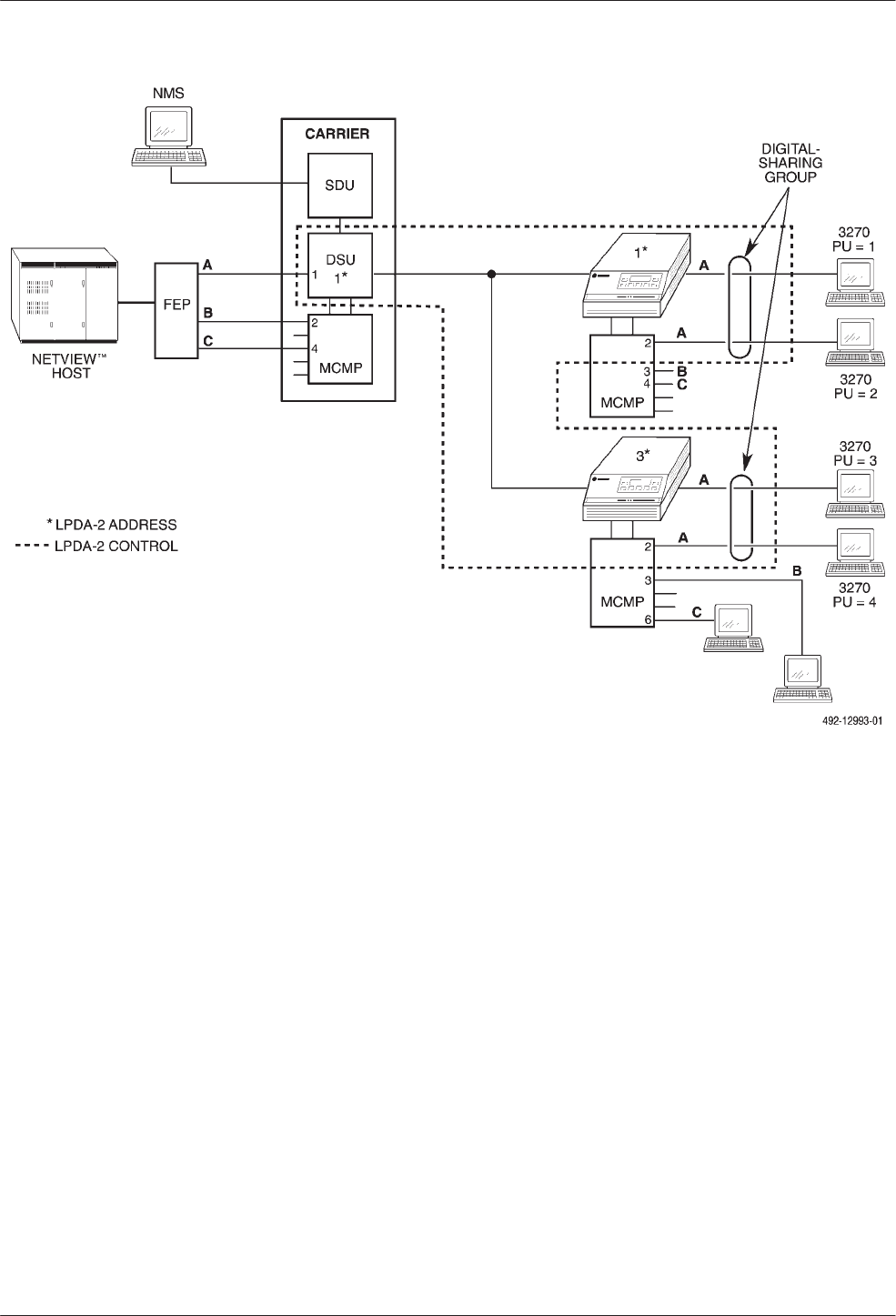
Figure 4-49.
Digital Sharing in an MCMP Circuit (LPDA-2 Monitoring)
1
...
...
111
112
113
114
115
...
...
238