User's Manual
Table Of Contents

COMSPHERE 3600 Series Data Service Units
5-22 March 1999 3610-A2-GB41-60
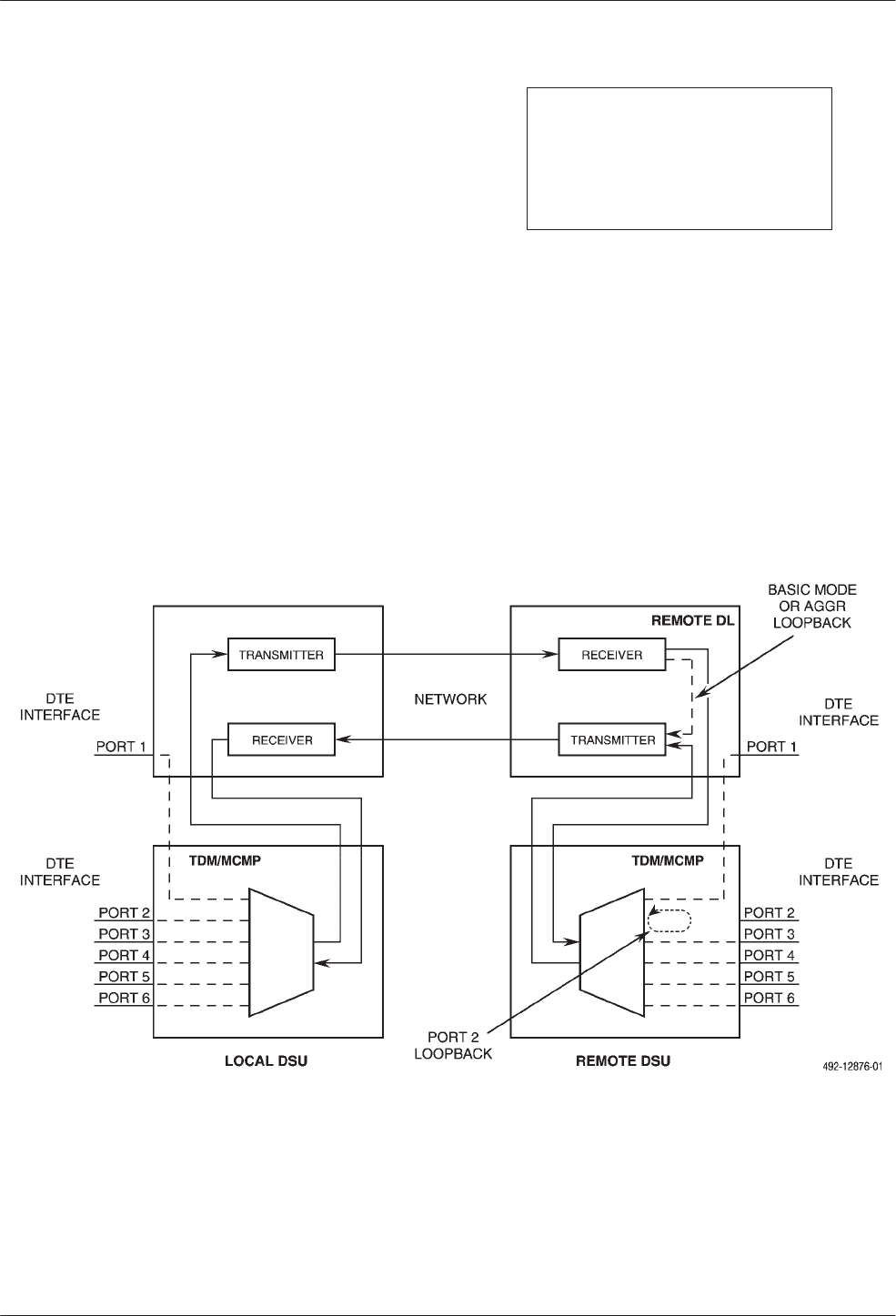
Remote Digital Loopback
Remote Digital Loopback (RL) is typically used to
support testing by an external device, such as a protocol
analyzer connected to the local DSU’s DTE interface. A
test message from the external device is looped back from
the receiver to the transmitter in the remote DSU and
returned to the local DSU (Figure 5-8).
In Remote Digital Loopback, the local DSU (control
or tributary) or the 6700 or 6800 Series NMS places the
remote DSU into Digital Loopback. A control DSU can
originate Remote Digital Loopback in a point-to-point or
multipoint network; a tributary DSU can only originate
Remote Digital Loopback in a point-to-point network.
When a control or tributary DSU originates Remote
Digital Loopback, both originating and targeted DSUs
enter Test mode. On a multipoint circuit, all tributaries are
placed in Test mode. No other test can be run at the
originating DSU or the targeted DSU until the Remote
Digital Loopback is aborted.
NOTE
To abort the Remote Digital
Loopback, issue the Abort
command to the control
DSU-DBM, not the tributary.
For a DSU, Remote Digital Loopback is
session-disruptive except when a dial backup session is
active and used to determine whether a control DSU, a
single tributary, and the network between them are
functioning properly. This requires a network connection
to both DSUs. However, a DTE connection to the remote
DSU is not required.
For a DBM, Remote Digital Loopback is session-
disruptive when the DBM is in Dial Backup mode and
nondisruptive when in Standby mode. A DTE connection
to the remote DBM is not required.
Figure 5-8. Remote Digital Loopback